EasyManua.ls Logo

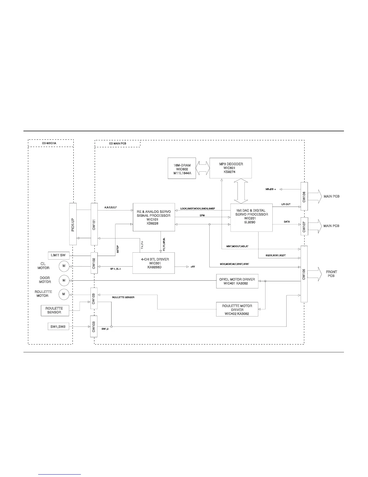
Samsung MAX-B450 - CD Block Diagram

Samsung MAX-B450
44 pages
Print Icon
To Next Page IconTo Next Page
To Next Page IconTo Next Page
To Previous Page IconTo Previous Page
To Previous Page IconTo Previous Page
Loading...
Samsung Electronics 4-3
4-3 CD

Other manuals for Samsung MAX-B450

Related product manuals