EasyManua.ls Logo

Samsung MAX-B450 - Wiring Diagrams; Wiring Schematic for MAX-B420

Samsung MAX-B450
44 pages
Print Icon
To Next Page IconTo Next Page
To Next Page IconTo Next Page
To Previous Page IconTo Previous Page
To Previous Page IconTo Previous Page
Loading...
Samsung Electronics 6-1
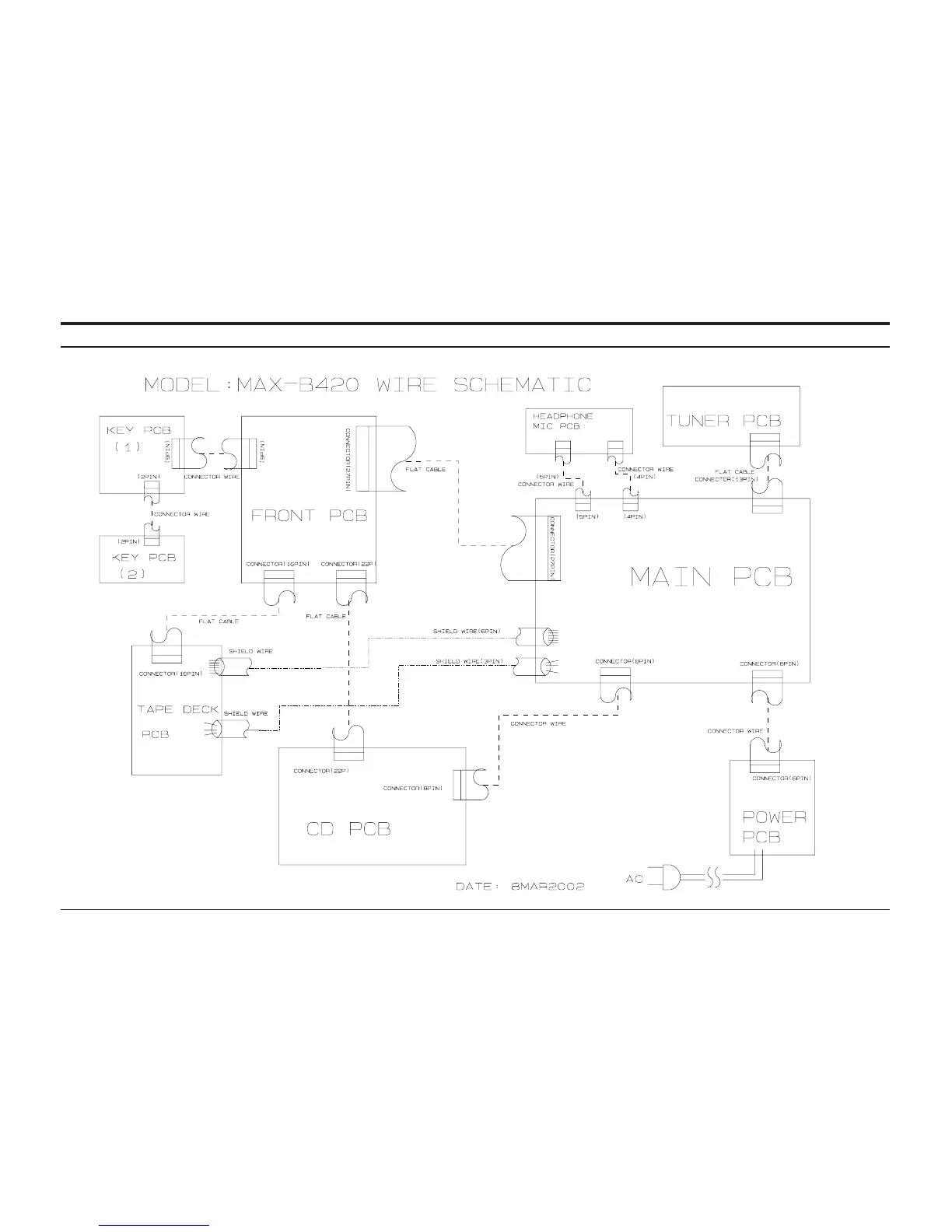
6. Wiring Diagram : MAX-B420

Other manuals for Samsung MAX-B450

Related product manuals