EasyManua.ls Logo

Samsung MAX-B450 - Wiring Schematic for MAX-B450;ZB450

Samsung MAX-B450
44 pages
Print Icon
To Next Page IconTo Next Page
To Next Page IconTo Next Page
To Previous Page IconTo Previous Page
To Previous Page IconTo Previous Page
Loading...
6-2 Samsung Electronics
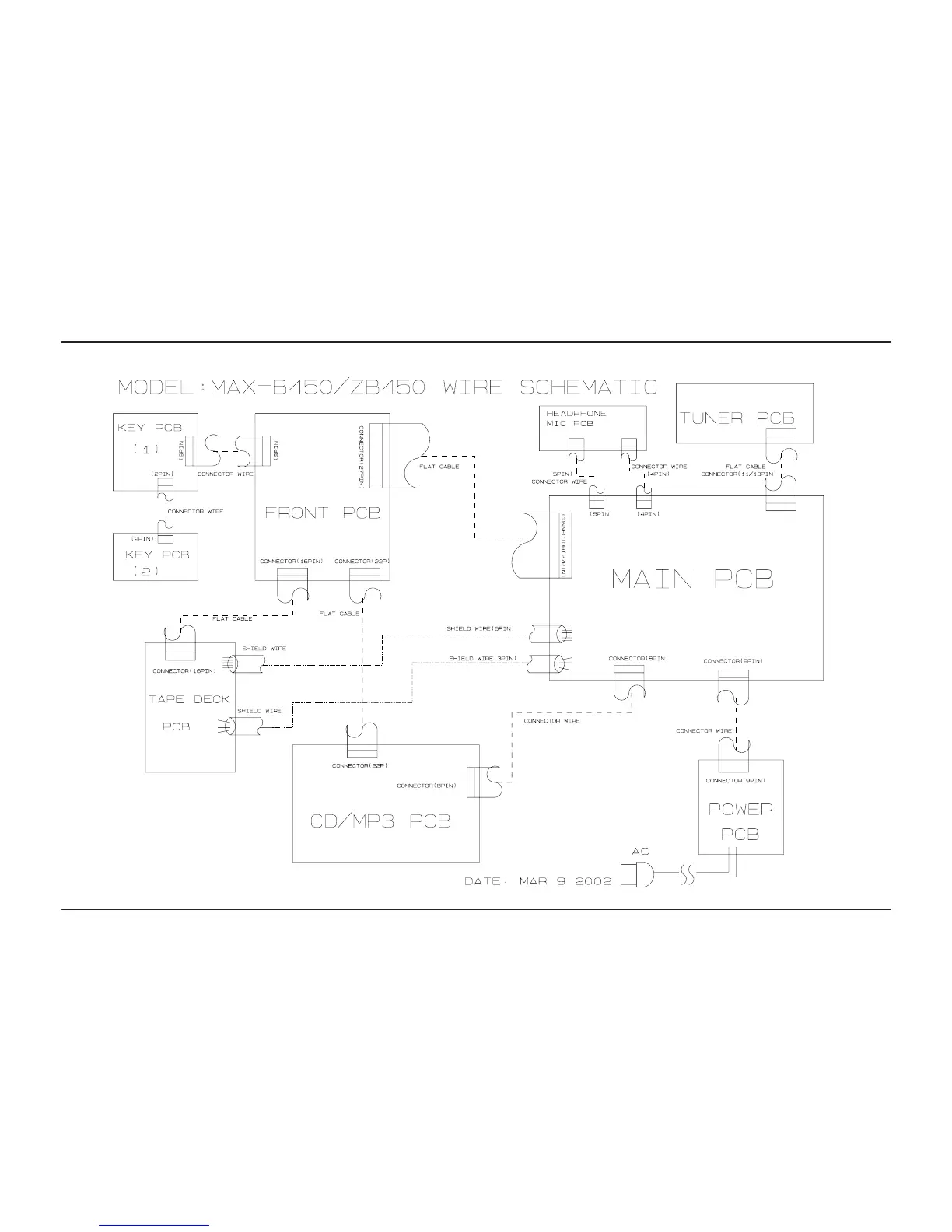
6-1. Wiring Diagram : MAX-B450/ZB450

Other manuals for Samsung MAX-B450

Related product manuals