EasyManua.ls Logo

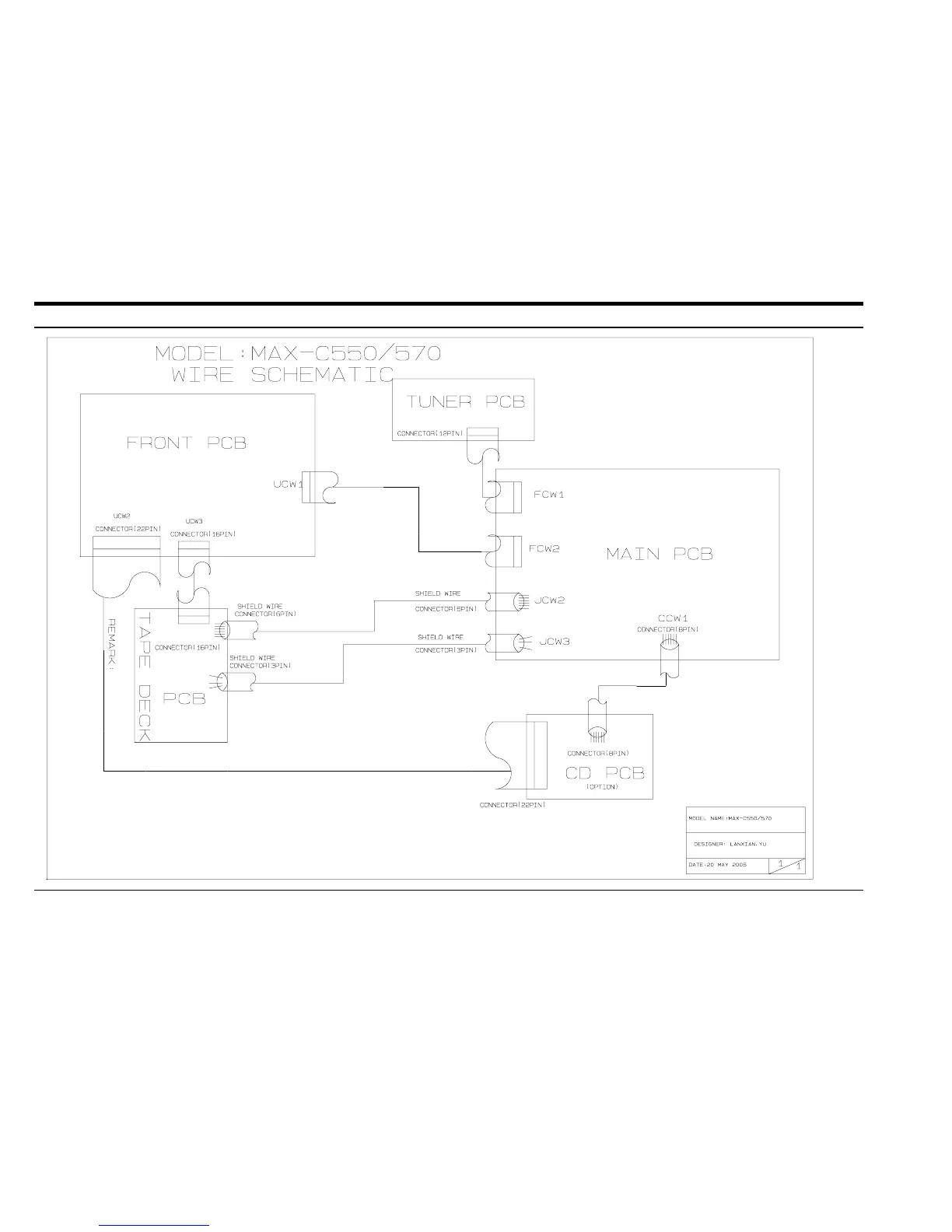
Samsung MAX-C550 - Wiring Diagram

Samsung MAX-C550
45 pages
Print Icon
To Next Page IconTo Next Page
To Next Page IconTo Next Page
To Previous Page IconTo Previous Page
To Previous Page IconTo Previous Page
Loading...
Samsung Electronics 10-1
10. Wiring Diagram

Related product manuals