EasyManua.ls Logo

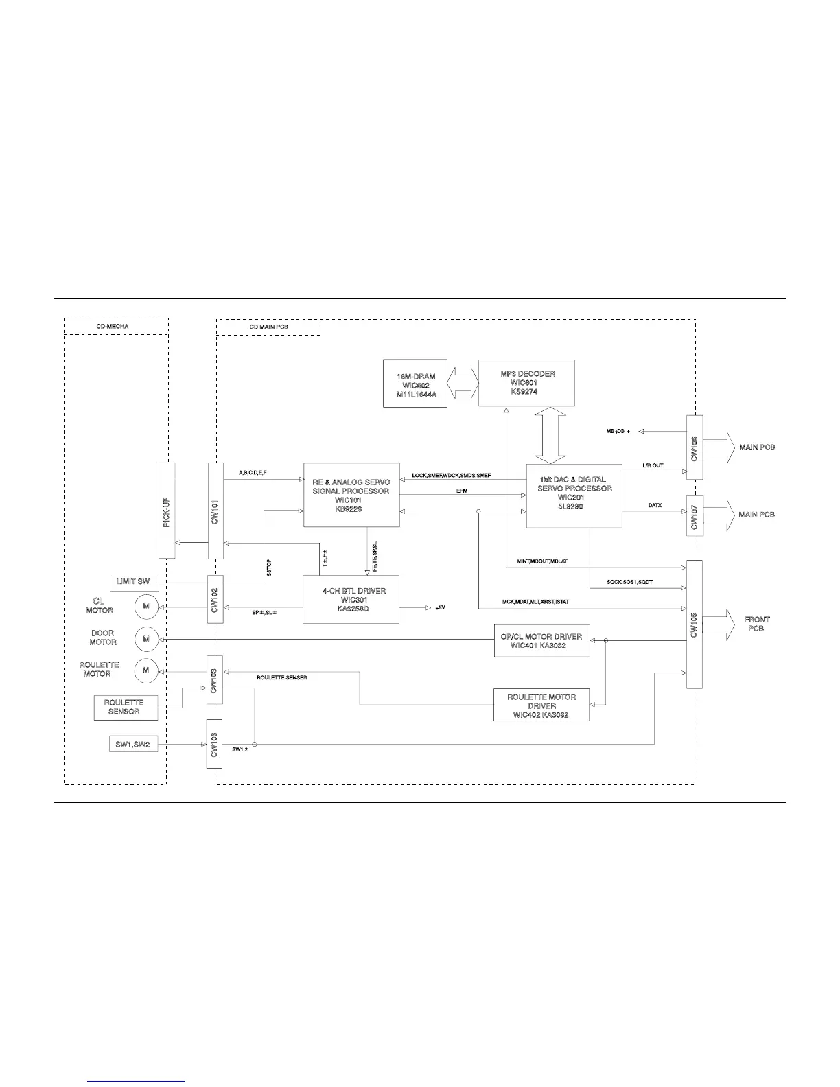
Samsung MAX-L45 - CD Section Block Diagram

Samsung MAX-L45
42 pages
Print Icon
To Next Page IconTo Next Page
To Next Page IconTo Next Page
To Previous Page IconTo Previous Page
To Previous Page IconTo Previous Page
Loading...
4-2 Samsung Electronics
4-2 CD

Other manuals for Samsung MAX-L45

Related product manuals