EasyManua.ls Logo

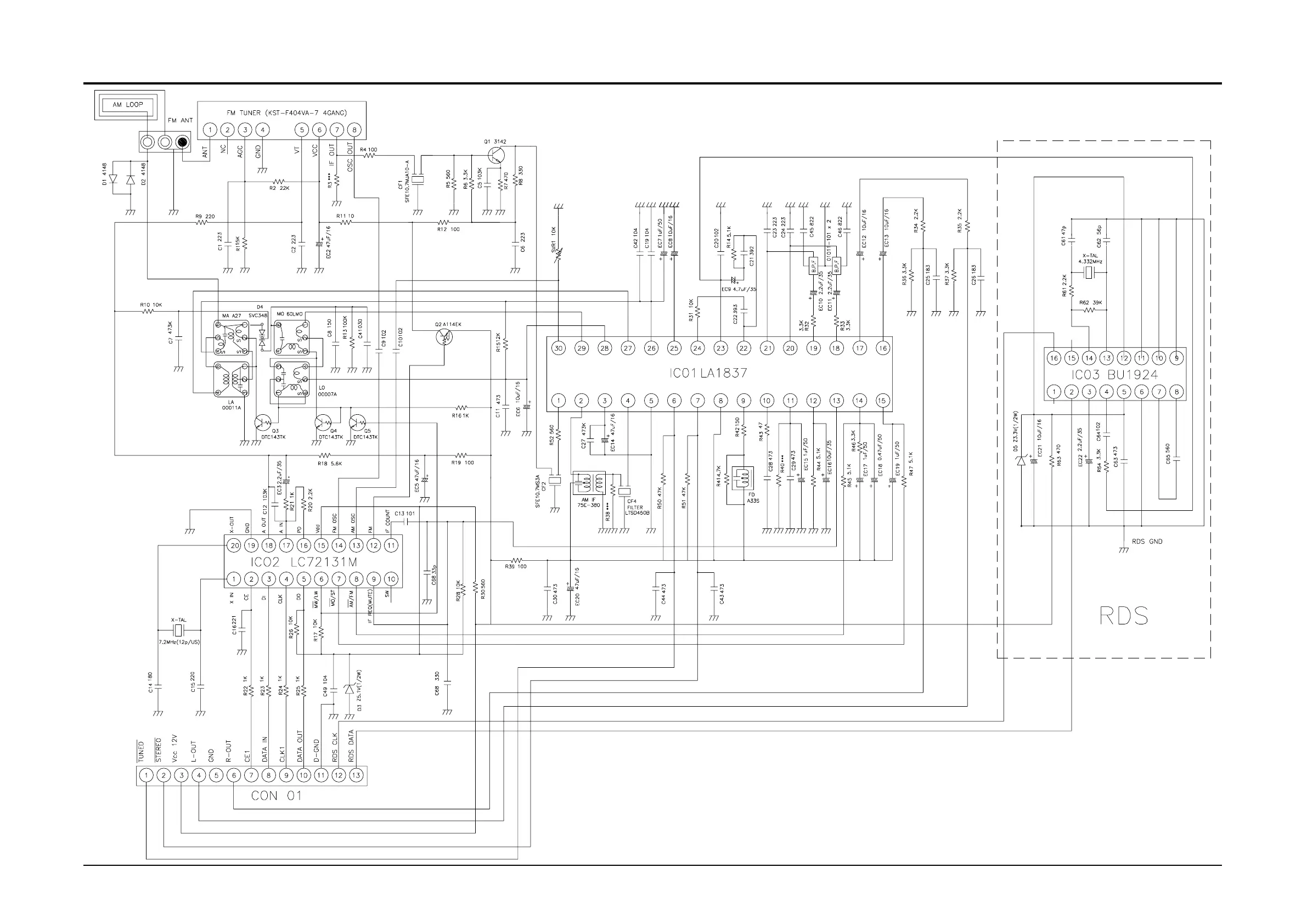
Samsung MAX-L82 - TUNER(EURO) Schematic

Samsung MAX-L82
35 pages
Print Icon
To Next Page IconTo Next Page
To Next Page IconTo Next Page
To Previous Page IconTo Previous Page
To Previous Page IconTo Previous Page
Loading...
Samsung Electronics 7-5
7-5 TUNER(EURO)

Other manuals for Samsung MAX-L82

Related product manuals