EasyManua.ls Logo

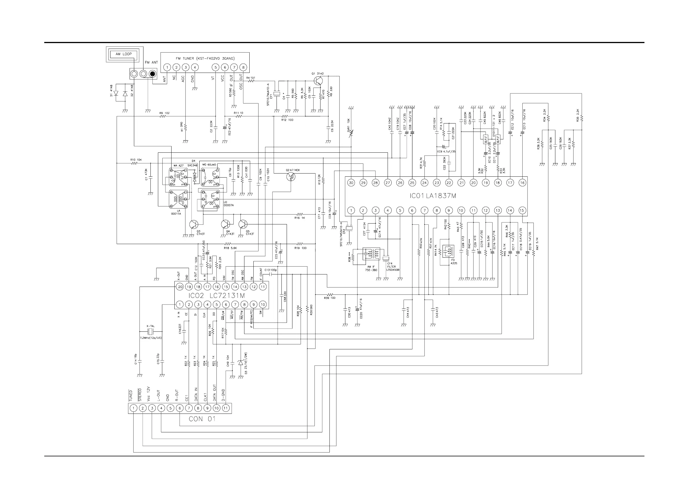
Samsung MAX-L82 - TUNER(RUSIA) Schematic

Samsung MAX-L82
35 pages
Print Icon
To Next Page IconTo Next Page
To Next Page IconTo Next Page
To Previous Page IconTo Previous Page
To Previous Page IconTo Previous Page
Loading...
7-6 Samsung Electronics
7-6 TUNER(RUSIA)

Other manuals for Samsung MAX-L82

Related product manuals