EasyManua.ls Logo

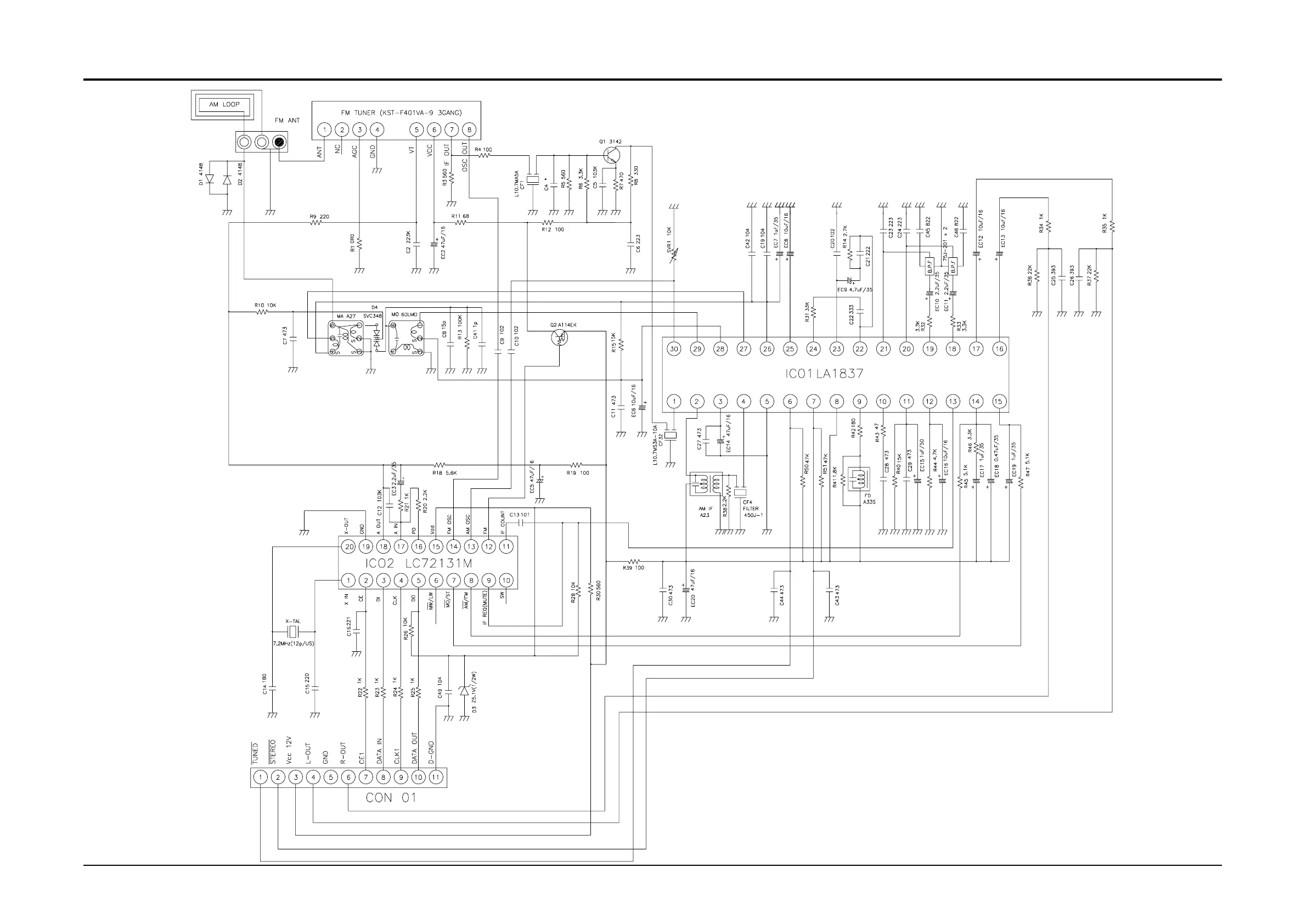
Samsung MAX-L82 - TUNER(2 BAND) Schematic

Samsung MAX-L82
35 pages
Print Icon
To Previous Page IconTo Previous Page
To Previous Page IconTo Previous Page
Loading...
Samsung Electronics 7-7
7-7 TUNER(2BAND)

Other manuals for Samsung MAX-L82

Related product manuals