EasyManua.ls Logo

Samsung MAX- WL85 - Page 33

Samsung MAX- WL85
35 pages
Print Icon
To Next Page IconTo Next Page
To Next Page IconTo Next Page
To Previous Page IconTo Previous Page
To Previous Page IconTo Previous Page
Loading...
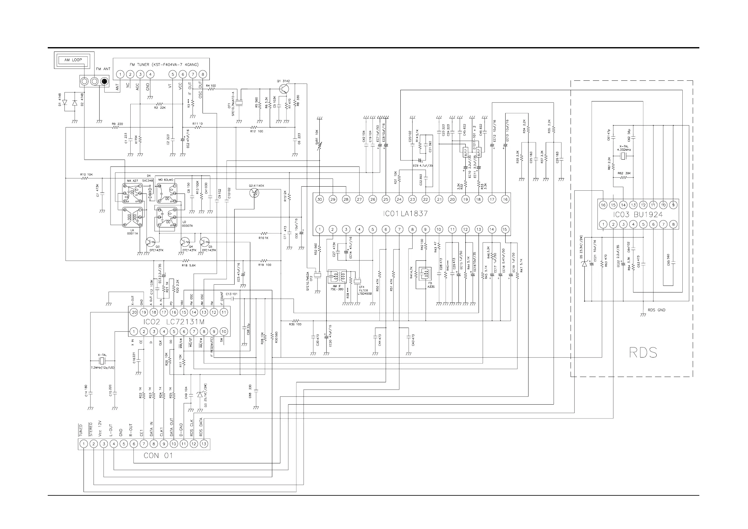
Samsung Electronics 7-5
7-5 TUNER(EURO)

Related product manuals