EasyManua.ls Logo

Samsung MAX- WL85 - Page 34

Samsung MAX- WL85
35 pages
Print Icon
To Next Page IconTo Next Page
To Next Page IconTo Next Page
To Previous Page IconTo Previous Page
To Previous Page IconTo Previous Page
Loading...
7-6 Samsung Electronics
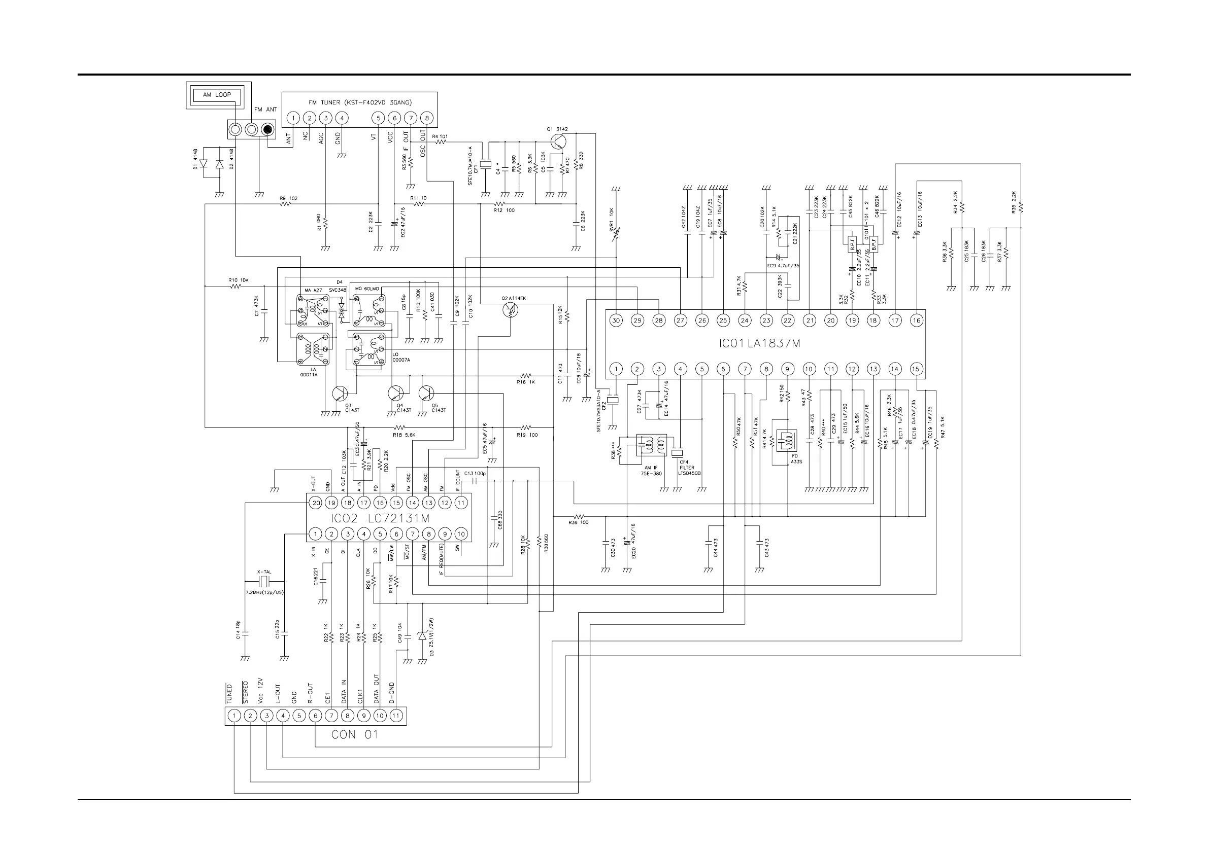
7-6 TUNER(RUSIA)

Related product manuals