EasyManua.ls Logo

Samsung MAX- WL85 - Page 35

Samsung MAX- WL85
35 pages
Print Icon
To Previous Page IconTo Previous Page
To Previous Page IconTo Previous Page
Loading...
Samsung Electronics 7-7
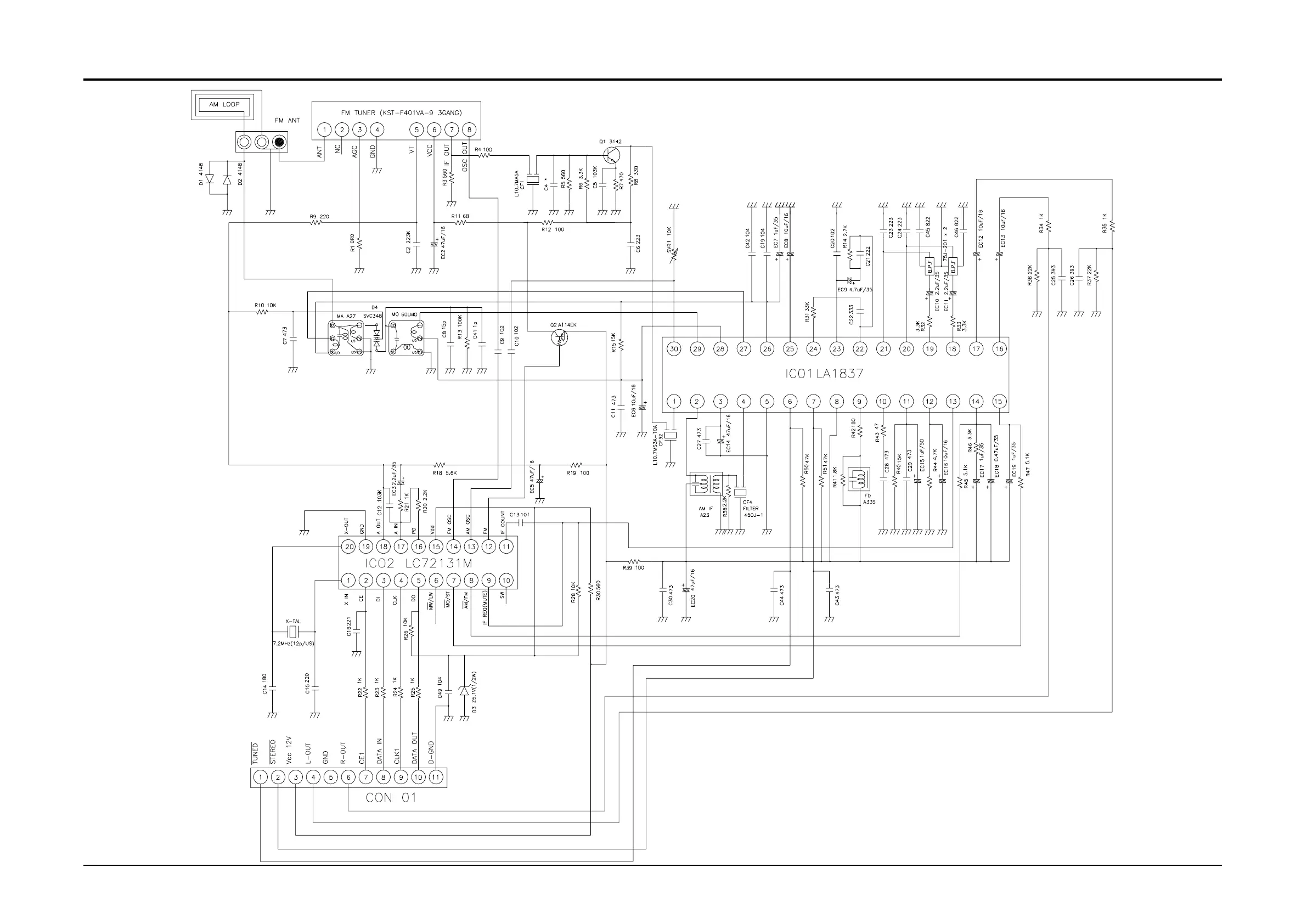
7-7 TUNER(2BAND)

Related product manuals