EasyManua.ls Logo

Samsung RB28F - Page 33

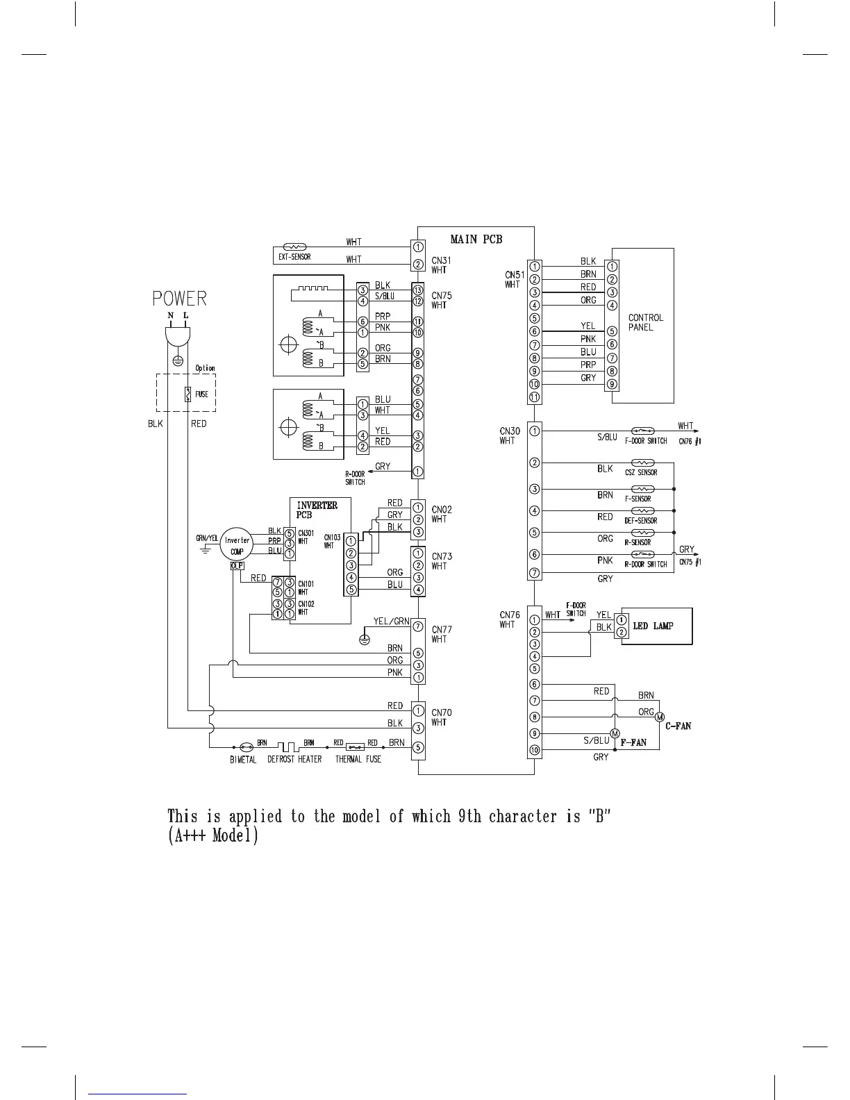
Samsung RB28F
144 pages
Print Icon
To Next Page IconTo Next Page
To Next Page IconTo Next Page
To Previous Page IconTo Previous Page
To Previous Page IconTo Previous Page
Loading...
DA68-02833Q-12.indb 33DA68-02833Q-12.indb 33 2014. 12. 6.  10:152014. 12. 6.  10:15

Related product manuals