EasyManua.ls Logo

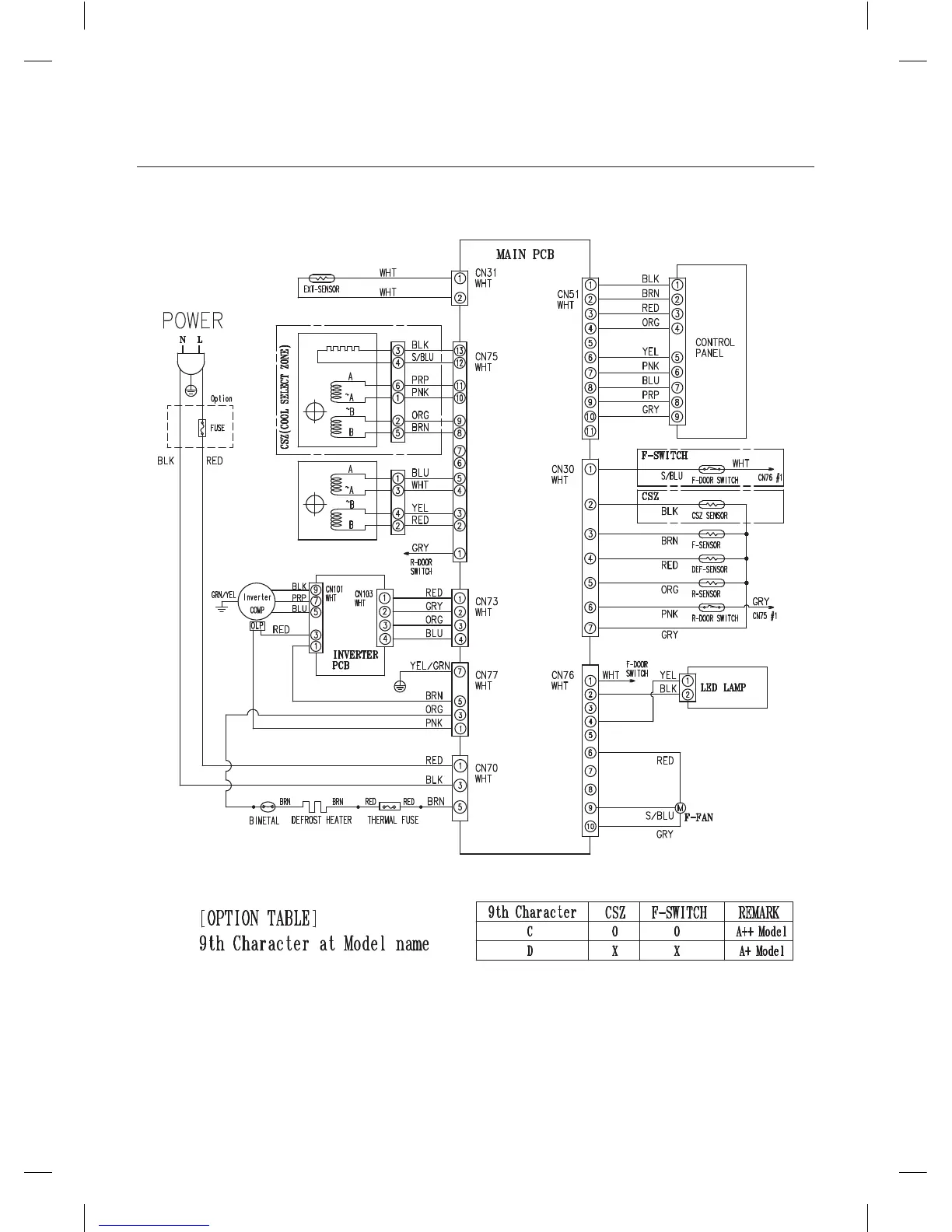
Samsung RB28F - Circuit Diagram

Samsung RB28F
144 pages
Print Icon
To Next Page IconTo Next Page
To Next Page IconTo Next Page
To Previous Page IconTo Previous Page
To Previous Page IconTo Previous Page
Loading...
circuit diagram
DA68-02833Q-12.indb 32DA68-02833Q-12.indb 32 2014. 12. 6.  10:152014. 12. 6.  10:15

Related product manuals