EasyManua.ls Logo

Samsung RD060PHXEA - Page 34

Samsung RD060PHXEA
46 pages
Print Icon
To Next Page IconTo Next Page
To Next Page IconTo Next Page
To Previous Page IconTo Previous Page
To Previous Page IconTo Previous Page
Loading...
E-34
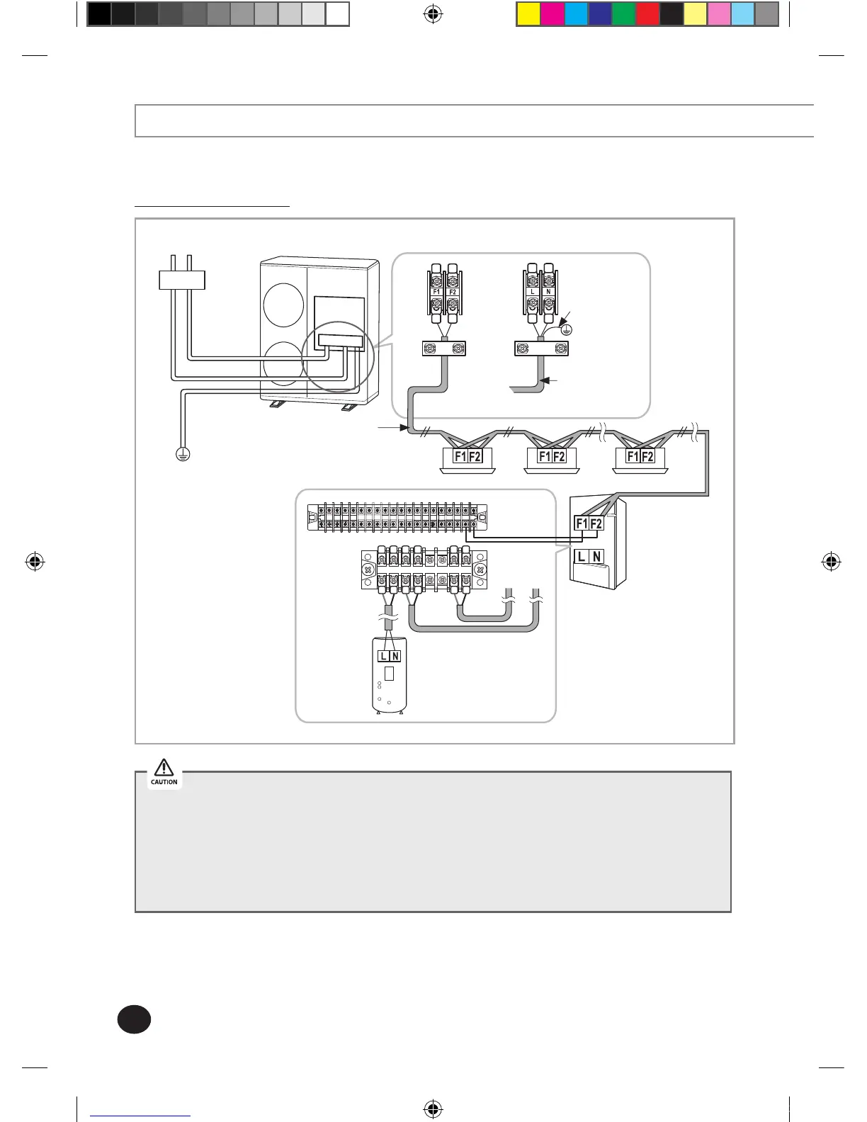
Electrical Connections
(Continued)
When removing the outer cover of the power cable, use the appropriate tools to prevent
damaging the inner cover.
Make sure to place the outer cover of the power cable and the communication cable,
at least 20mm into the electrical parts.
Communication wiring should be done separately from the power cable and other
communication cables.
1 phase 2 wires (230V~)
F1 F2
N L N L N L
1 phase 230V~
Earth
Communication cable
between indoor and
outdoor units
Power cable
Earth cable
(U-Trap)
1 phase
230V~
1 phase
230V~
DHW Tank
Hydro unit
Communication
cable
Circuit breaker
RD060PHXEA_IM_E_32352A(2).indd 34 2010-07-26 ソタネト 2:20:02

Related product manuals