EasyManua.ls Logo

Samsung RJ080F4HXEA - OUTDOOR UNIT

Samsung RJ080F4HXEA
204 pages
Print Icon
To Next Page IconTo Next Page
To Next Page IconTo Next Page
To Previous Page IconTo Previous Page
To Previous Page IconTo Previous Page
Loading...
7-12 Samsung Electronics
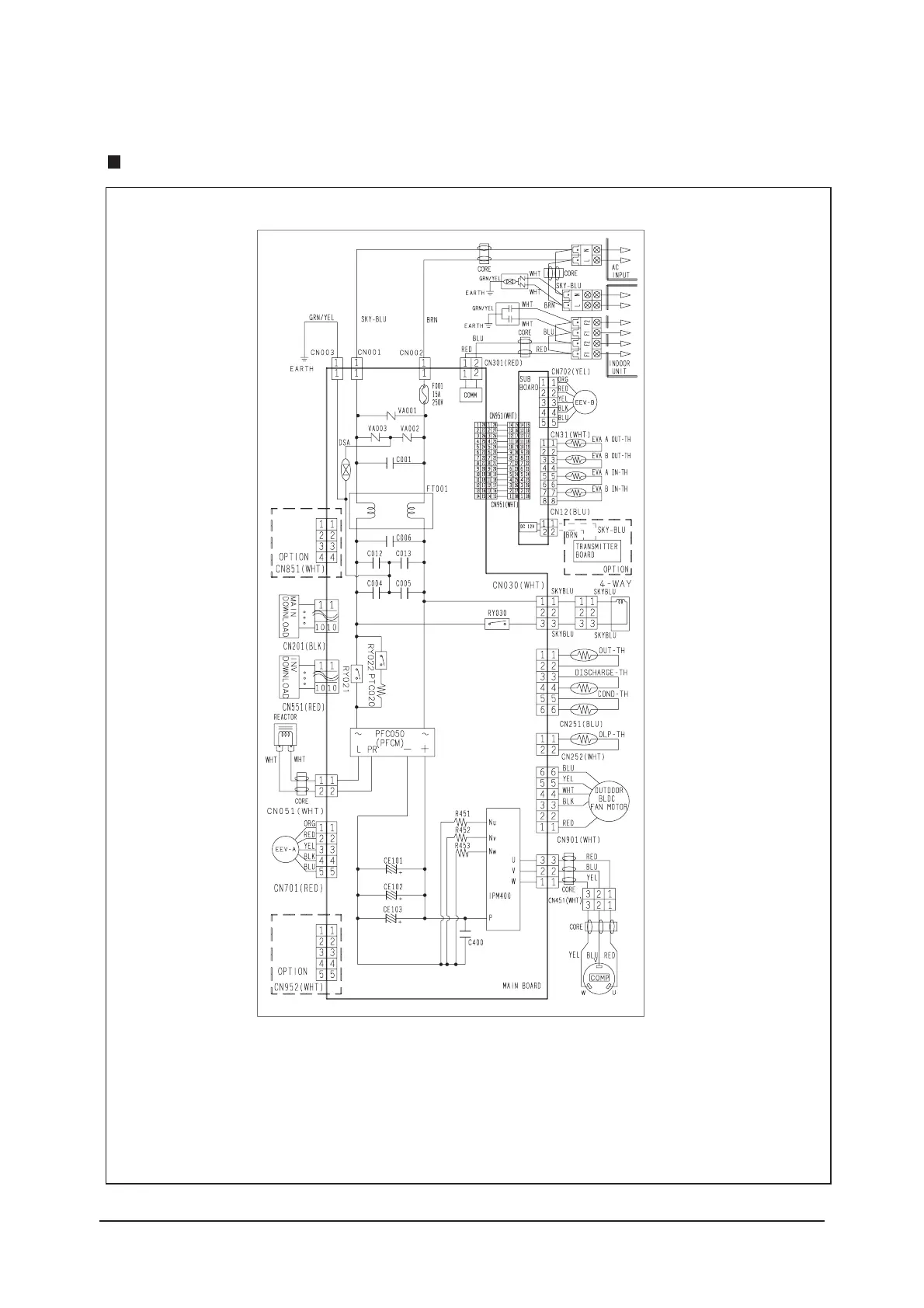
7-2. OUTDOOR UNIT
This Document can not be used without Samsung's authorization.
RJ040F2HXEA/RJ050F2HXEA

Other manuals for Samsung RJ080F4HXEA

Related product manuals