EasyManua.ls Logo

Samsung RNS09ABT - Piping Diagram

Samsung RNS09ABT
60 pages
Print Icon
To Next Page IconTo Next Page
To Next Page IconTo Next Page
To Previous Page IconTo Previous Page
To Previous Page IconTo Previous Page
Loading...
47
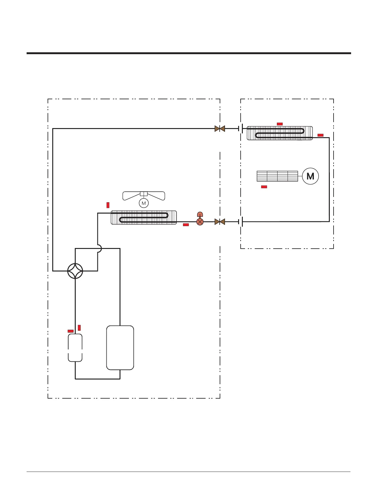
8. Piping Diagram
Service
Valve-
Liquid Pipe
(SV_L)
Service
Valve-
Gas Pipe
(SV_G)
Compressor
(COMP)
Thermistor-
Discharge
pipe
(T_D)
Thermistor-
Compressor
Top
(T_CT)
Heat Exchanger -
Main(Outdoor unit)
(HX_M)
Solenoid Valve -
4Way (V_4W)
Thermistor-
Cond Out
(T_CO)
Outdoor Fan Motor (OFM)
INDOOR UNITOUTDOOR UNIT
Thermistor-
Ambient
(T_A)
Electronic
Expansion Valve -
Main (E_M)
Thermistor-
IDU
Heat
Exchanger
IN
(T_II)
Heat Exchanger -
Indoor unit
(HX_ID)
Thermistor-
Indoor Room
(T_IR)
Thermistor -
IDU Heat
Exchager Mid
(T_IM)
Indoor
Fan Motor
(IFM)
Accumulator
(AC)

Related product manuals