EasyManua.ls Logo

Samsung RT38 - Wiring Diagram

Samsung RT38
75 pages
Print Icon
To Next Page IconTo Next Page
To Next Page IconTo Next Page
To Previous Page IconTo Previous Page
To Previous Page IconTo Previous Page
Loading...
73
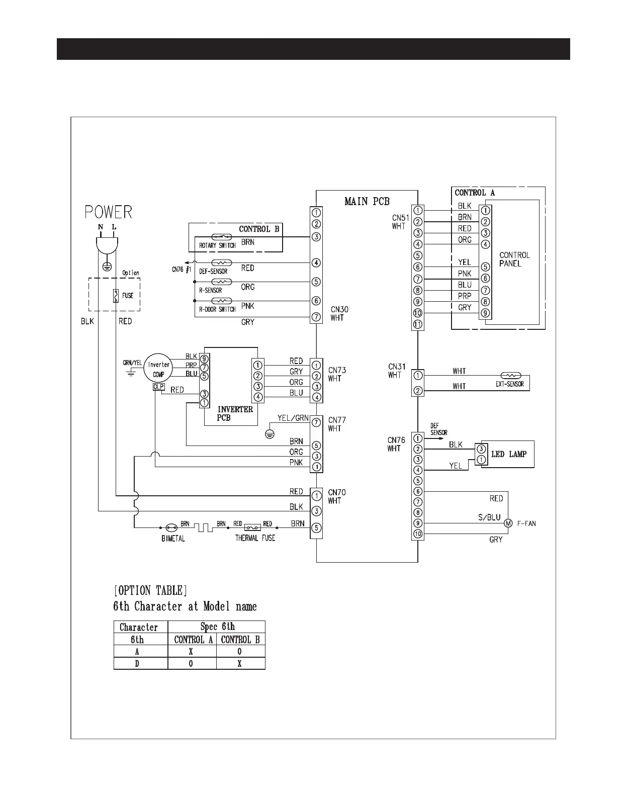
6. WIRING DIAGRAM
FOR SIEL PLANT (INDIA)
This document can not be used without Samsung's authorization.

Other manuals for Samsung RT38

Related product manuals