EasyManua.ls Logo

Samsung RT38 - Page 69

Samsung RT38
75 pages
Print Icon
To Next Page IconTo Next Page
To Next Page IconTo Next Page
To Previous Page IconTo Previous Page
To Previous Page IconTo Previous Page
Loading...
80
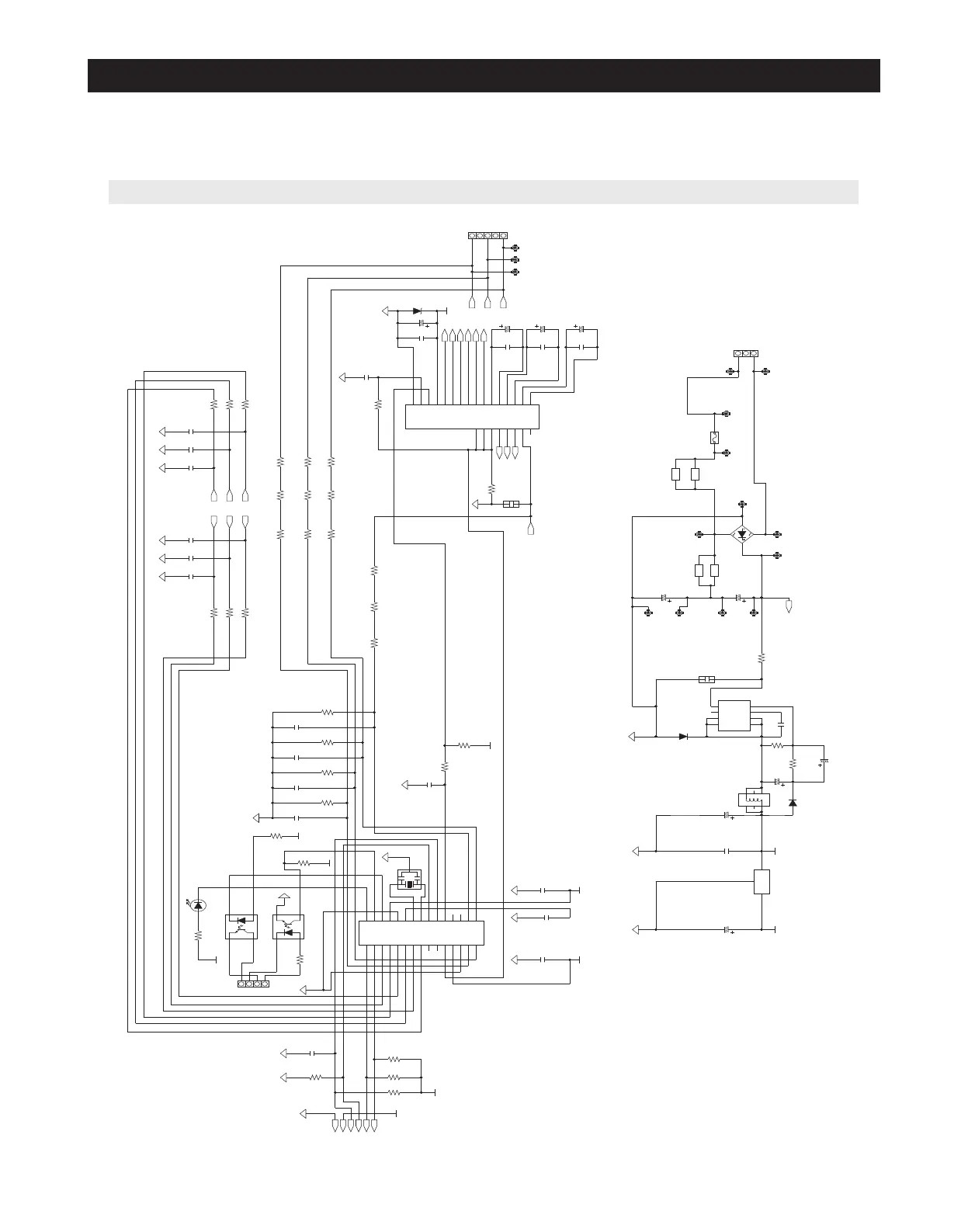
SCHEMATIC DIAGRAM
1A
D101
1000V
US1M
2
1
EY8
1
EY12
1
2
1
SMW250-04
CN201
4
3
OP101
0
21
JUMP
CN101
3
2
1
ZD501
PTZ18A
21
4.7K,J,0.125W
R308
21
EY1
1
5V
50V,10nF
C307
2
1
PC202
PC123
32
41
EY2
1
EY3
1
EY4
1
C513
35V,220uF
2
1
C1
630V,100nF
2
1
0
OP102
21 JUMP
C501
50V,100nF
2
1
R311
1KJ0.125W
21
EY11
1
CN102
5
4
3
2
1
EY10
1
EY7
1
EY5
1
EY6
1
EY9
1
EY13
1
EY14
1
EY15
1
C508
50V,10nF
2
1
R514
6.8K,F,0.125W
21
R515
6.8K,F,0.125W
21
R516
6.8K,F,0.125W
21
R517
6.8K,F,0.125W
21
50V,2.2nF
C511
2
1
PC201
PC123
32
41
50V,2.2nF
C510
2
1
50V,2.2nF
C509
2
1
5V
U
50V
33uF
C503
2
1
5V
0.25WF300K
R513
21
AGND
100nF
C204
50V
2
1
AGND
0.125W J 10K
R316
2
1
5V
AGND
5V
AGND
C203
100nF
50V
2
1
5V
AGND AGND
50V
470nF
C202
2
1
C201
100nF
50V
2
1
50V
33uF
C505
2
1
50V
33uF
C507
2
1
AGND
AGND
UPD78F1201MC-CAB-AX
IC2
1615
1714
1813
1912
2011
2110
229
238
247
256
265
274
283
292
301P23
P24
P22 P25
P21 AVSS
P20 AVREF
P120 P80
nRESET P81
FLMD0 P83
P122 P10
P121 P11
REGC P12
VSS P13
VDD P50
P30 P51
P31 P40
P32 P41
0.125WJ10K
R313
21
20MHz
CSTLS20M0X51
XTAL301_20MHz
2
31
L101
680uH,,0.4A
DA27-00020C
43
52
61
R307
100 J 0.25W
21
AGND
0.125WJ470
R312
21
0
OP106
21
JUMP
FUSE
FH1
250V,6.3A
21
US1M
1A1000V
D102
21
R510
300K F 0.25W
21
0.25WF300K
R507
21
R504
300K F 0.25W
21
300K F 0.25W
R503
21
R506
300K F 0.25W
21
R509
300K F 0.25W
21
R502
300K F 0.25W
21
R505
300K F 0.25W
21
300K F 0.25W
R508
21
W
DLP
AGND
AGND
16V
AGND
IC1
54
63
72
81
S
S
SS
BPNC
FBD
C104
630V,100nF
2
1
50V
1nF
C306
2
1
AGND
DLP
AGNDAGNDAGNDAGND
10,J,1W
R101
21
C105
50V
100nF
2
1
0.25WJ100
R305
21
0.25WJ100
R301
21
C107
50V
33uF
2
1
C304
1nF
50V
2
1
C302
1nF
50V
2
1
C303
1nF
50V
2
1
C301
1nF
50V
2
1
C305
1nF
50V
2
1
0.25WF300K
R512
21
100 J 0.25W
R303
21
0.125W J 1K
R310
21
AGND
5V
C106
50V
33uF
2
1
R309
2K J 0.125W
21
0.25WF300K
R511
21
R304
100 J 0.25W
21
LMP1
RED
3mm
21
R315
10K J 0.125W
21
R314
10K J 0.125W
21
AGND
5V
0.25W
R302
100 J
21
100 J 0.25W
R306
21
C109
50V
100nF
2
1
KA78L05AZTA
REG1
2
13
IN
OUT
GND
2.2K,F,0.125W
R102
21
AGND
35V,220uF
C110
2
1
AGND
25V,470uF
C108
2
1
18K,F,0.125W
R103
21
D5SB60
BD101
3
14
2
AGND
R1
0.09,J,2W
21
16V 5V
50V
100nF
C502
2
1
50V
100nF
C504
2
1
50V
100nF
C506
2
1
PWM5
PWM1
PWM2
V
R501
0.125WJ2K
21
C512
1nF
50V
2
1
AGND
C103
250V,680uF
2
1
250V,680uF
C102
2
1
0
OP105
21
JUMP
IC3
IGCM04G60HA
16
15
14
13
12
11
10
9
178
187
196
205
214
223
232
241
VS(U)
NC
VB(U) P
VS(V) U
VB(V) V
VS(W)
W
VB(W) N
HIN(U) N
HIN(V) N
HIN(W)
LIN(U)
LIN(V)
LIN(W)
VDD
VFO
ITRIP
VSS
5V
AGND
FB
AGND
AGND
RPM
V
V
16V
PWM1
PWM3
PWM3
PWM4
PWM4
PWM2
PWM6
PWM6
5V
5V
5V
5V
PWM5
W
W
DLP
U
U
8-2-2. 110V
This document can not be used without Samsung's authorization.

Other manuals for Samsung RT38

Related product manuals