EasyManua.ls Logo

Samsung SCL810 - Page 92

Samsung SCL810
95 pages
Print Icon
To Next Page IconTo Next Page
To Next Page IconTo Next Page
To Previous Page IconTo Previous Page
To Previous Page IconTo Previous Page
Loading...
4-9Samsung Electronics
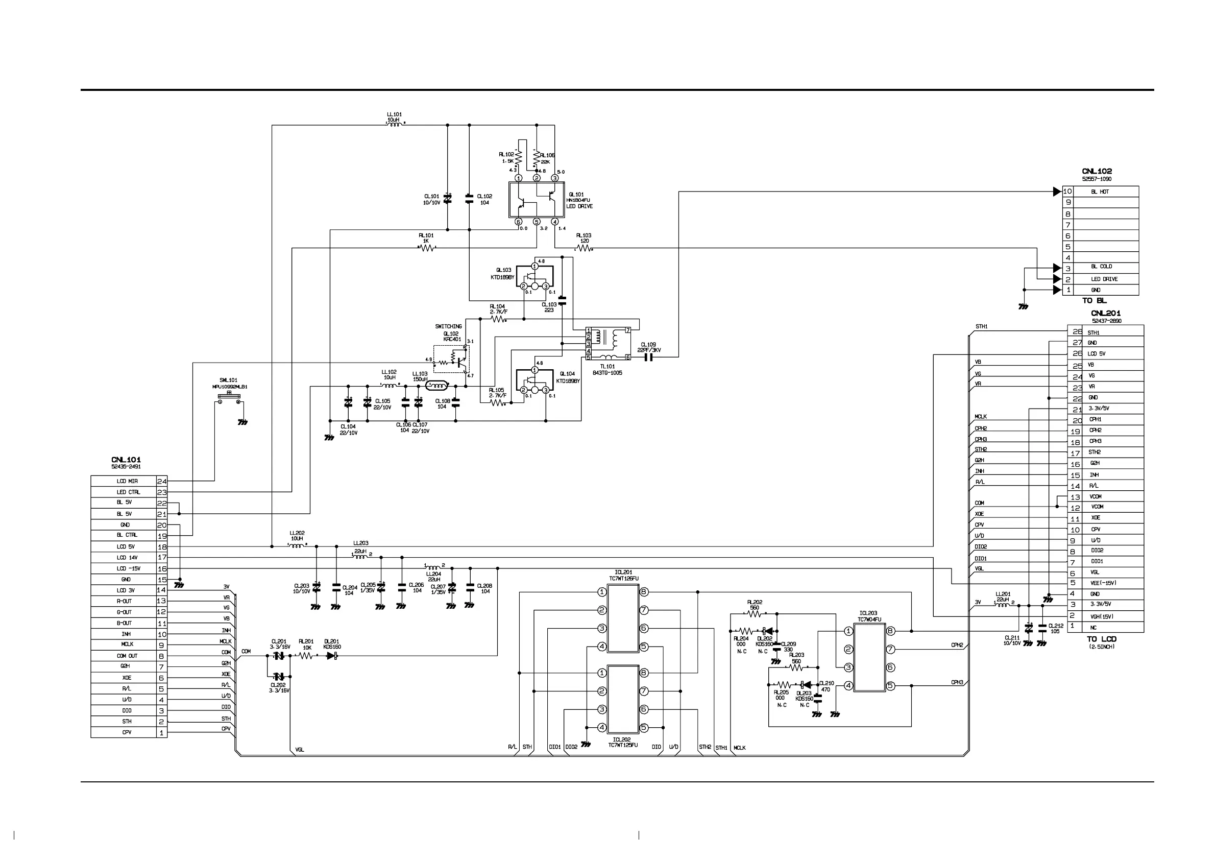
Schematic Diagrams
4-8 LCD

Related product manuals