EasyManua.ls Logo

Samsung SCL810 - Page 93

Samsung SCL810
95 pages
Print Icon
To Next Page IconTo Next Page
To Next Page IconTo Next Page
To Previous Page IconTo Previous Page
To Previous Page IconTo Previous Page
Loading...
4-10 Samsung Electronics
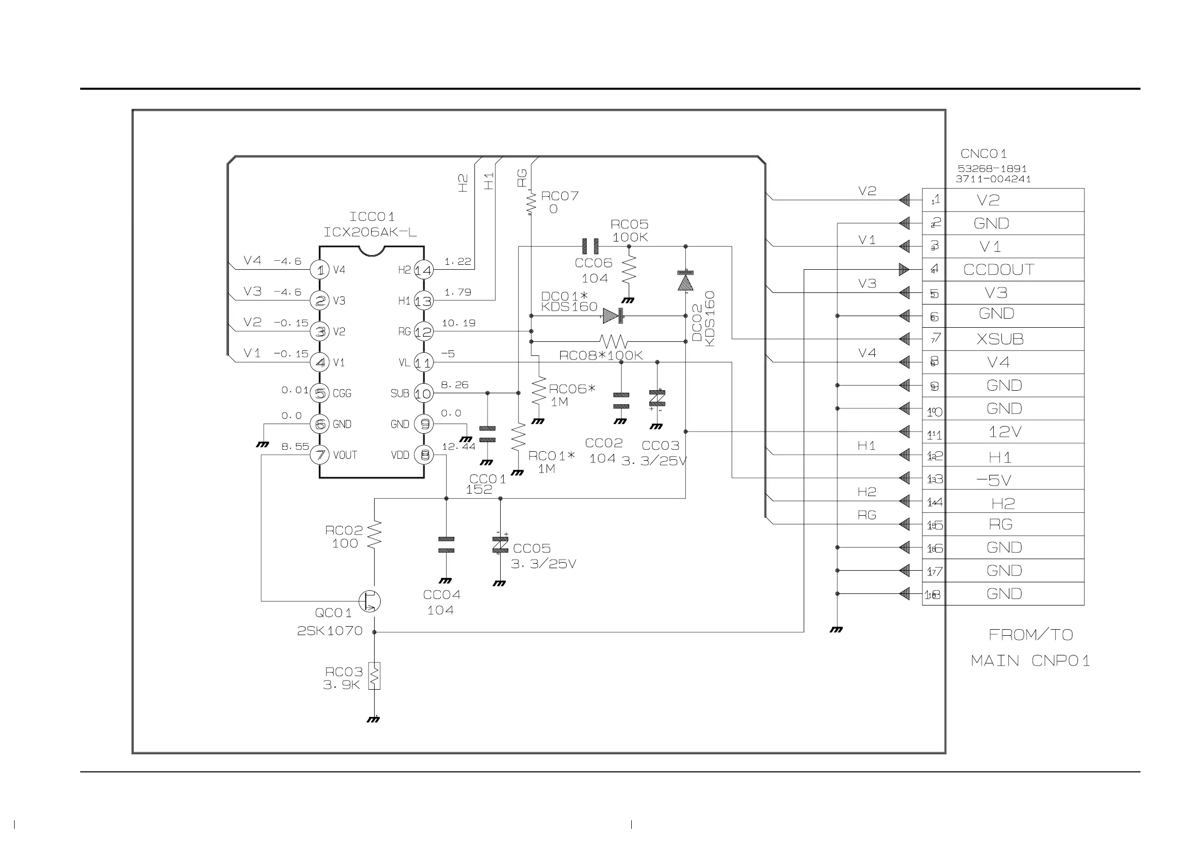
Schematic Diagrams
4-9 CCD

Related product manuals