EasyManua.ls Logo

Samwha DSP DSP-DVR - Page 20

Default Icon
22 pages
Print Icon
To Next Page IconTo Next Page
To Next Page IconTo Next Page
To Previous Page IconTo Previous Page
To Previous Page IconTo Previous Page
Loading...
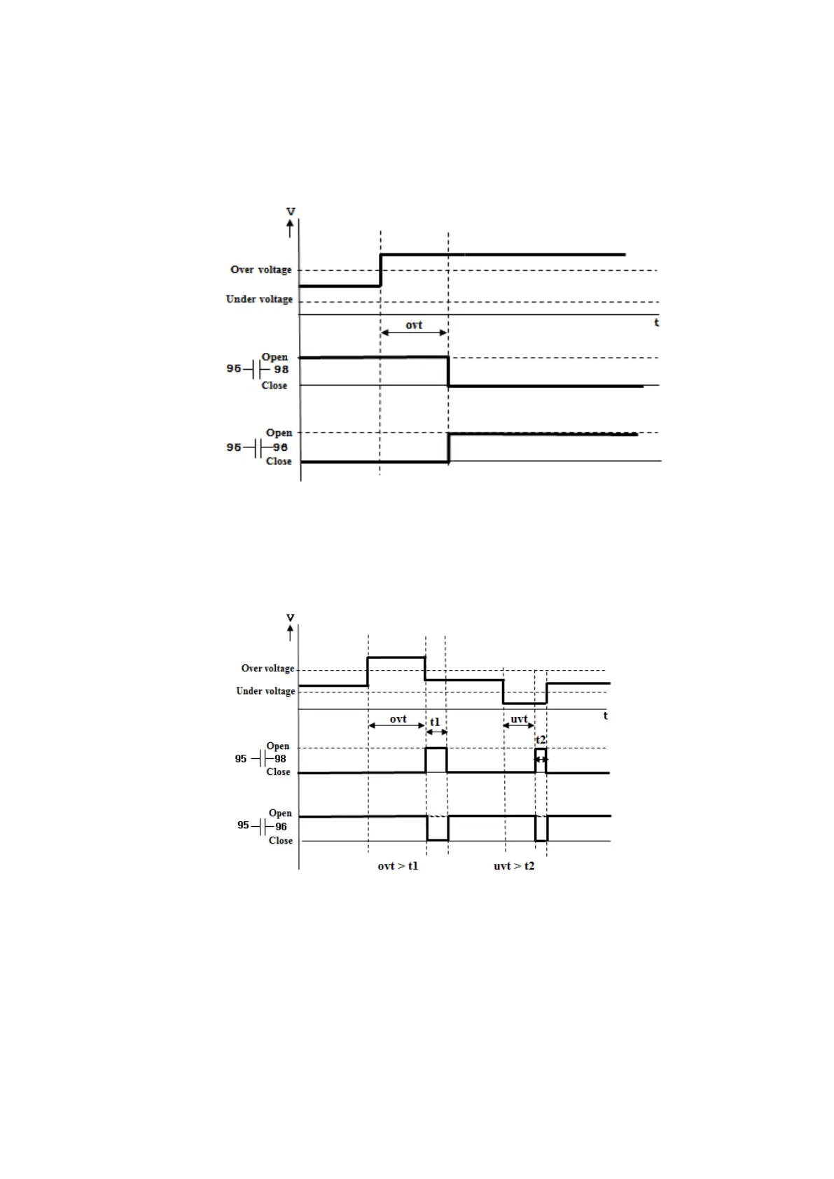
Over/Under voltage: out mode/a, auto reset after trip during a normal operation
Over/Under voltage: out mode/b, auto reset after trip during a normal operation

Related product manuals