EasyManua.ls Logo

Sanitron S2400C - High Capacity Systems; Dimensional Data S2,400 C & S5,000 C

Sanitron S2400C
24 pages
Print Icon
To Next Page IconTo Next Page
To Next Page IconTo Next Page
To Previous Page IconTo Previous Page
To Previous Page IconTo Previous Page
Loading...
18
SANITRON
®
HIGH CAPACITY SYSTEMS
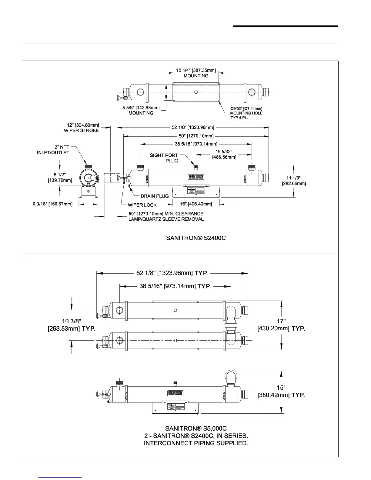
DIMENSIONAL DATA
Figure 11 - S2400C& S5,000C Dimensional Data

Related product manuals