EasyManua.ls Logo

Sansui P-L50 - Page 4

Sansui P-L50
24 pages
Print Icon
To Next Page IconTo Next Page
To Next Page IconTo Next Page
To Previous Page IconTo Previous Page
To Previous Page IconTo Previous Page
Loading...
eC
ee
eee
en
PERS
Ayah
as
eS
eS
ee
en
EPS
‘1p
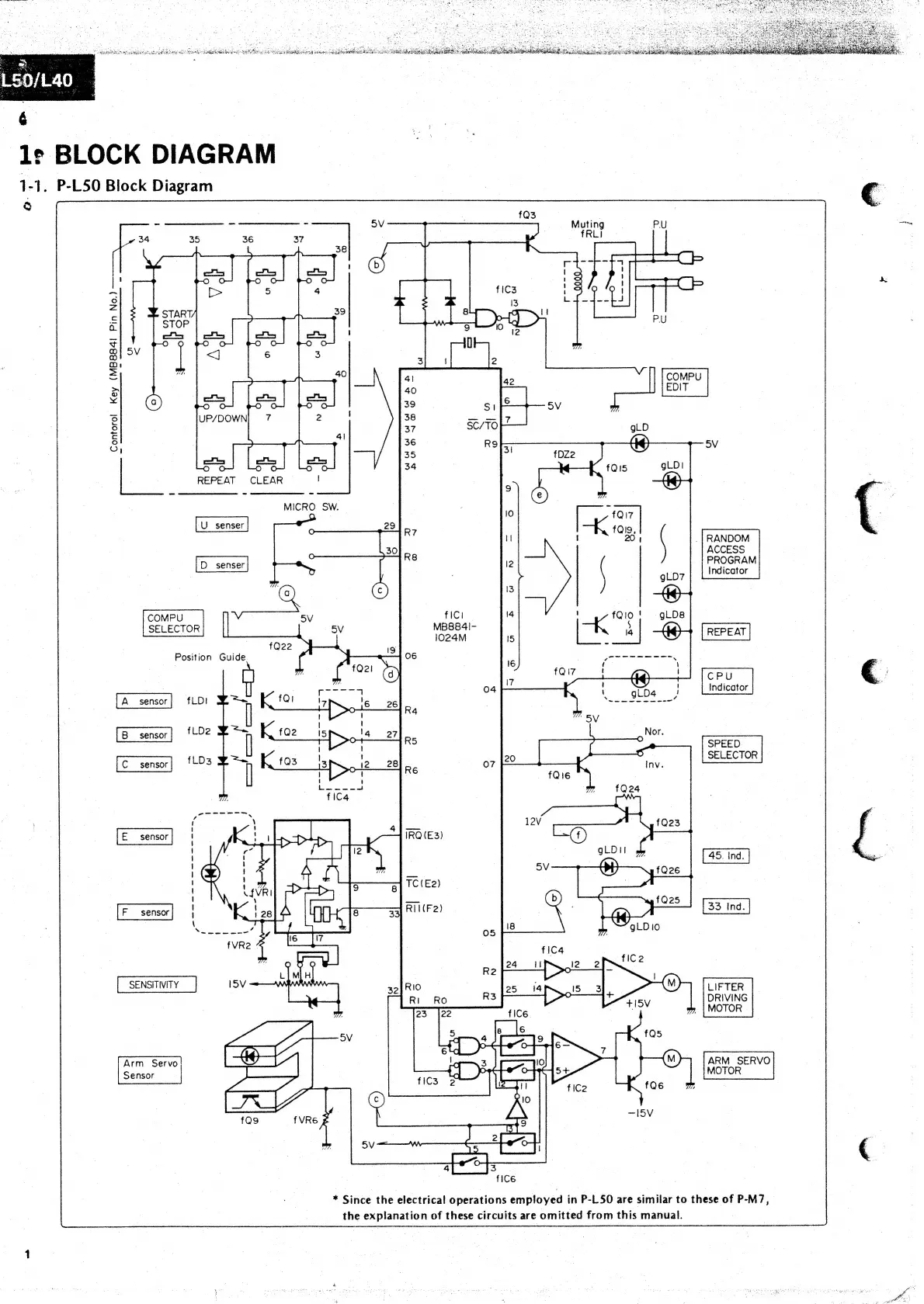
BLOCK
DIAGRAM
1-1.
P-L50
Block
Diagram
°
QO
Bs
X
~
>
5
4
fIC3
(eo)
=
START,
39
@
1
.
STOP
|
ety
7
as
|
ob
os
oy
|!
12
st
O
OQ
O
HO
Oo
O
Oo
By
ov
if
6
3
MO:
=
oa
40
>
x
mths
cts
=—
©)
UP/DOWN]
7
2
Contorol
SV
tis
|
©
©
©
()
©
|
REPEAT
CLEAR
|
MICRO
SW.
RANDOM
ACCESS
PROGRAM
Indicator
:
©
D
senser
COMPU
:
SV
SELECTOR
OV
fQ22
Position
Guide.
LO!
Ty
fLD2
wm
£Q2
N
5
4
or
|
ee
3
SPEED
.
ae
O
SELECTOR
fLO3
B=
Kf03_
is
Inv
|
fQ16
{Q24
,
12V
Ll
¢aQe23
pe
45
Ind.
OV
Pr
fQ26
F
sensor
ne
ee
ee
ee
ee
eee
eae
ee
|
SENSITIVITY
(M4
fFTER
DRIVING
.
»
|
MOTOR
fQ5
Arm
Servo
(M)
ARM
SERVO
Sensor
MOTOR
fQ6
c?
"3
*
Since
the
electrical
operations
employed
in
P-L5O
are
similar
to
these
of
P-M7,
the
explanation
of
these
circuits
are
omitted
from
this
manual.

Related product manuals