EasyManua.ls Logo

Sansui SR-2020 - Page 10

Sansui SR-2020
16 pages
Print Icon
To Next Page IconTo Next Page
To Next Page IconTo Next Page
To Previous Page IconTo Previous Page
To Previous Page IconTo Previous Page
Loading...
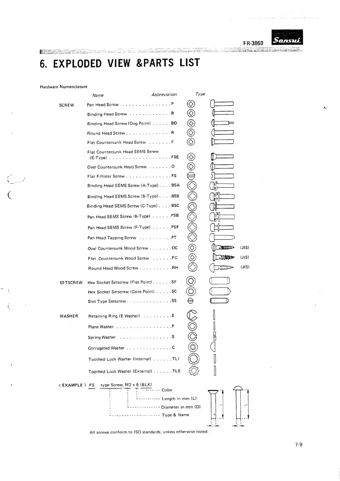
6.
EXPLODED
VIEW
&PARTS
LIST
Hardware
Nomenclature
SCREW
SETSCREW
WASHER
Name
Abbreviation
Type
Bat.
Medd
Scien
a
iuules
kepe
aut
P
©
Geom
Binding
Head
Screw
.....-----05-
B
©)
(=>
Binding
Head
Screw
(Dog
Point)...
...
sb
=)
(——-
Round
Head
Screw.
....-.----
055
R
©)
=
Flat
Countersunk
Head
Screw
.......
F
©
—_)
Flat
Countersunk
Head
SEMS
Screw
PUT
VEE)
ich
ic
Dane
es
se.
@&)
=
Oval
Countersunk
Head
Screw
.....-.-.
ie)
©)
(es!
Flat
Fillister
Screw...
.
0.2...
-0005-
FS
=
ee
Binding
Head
SEMS
Screw
(A-Type).
.
.
.BSA
©
Binding
Head
SEMS
Screw
(B-Type)
.
.
.
.BSB
)
E35
Binding
Head
SEMS
Screw
(C-Type)
.
.
.
.
BSC
©
==
Pan
Head
SEMS
Screw
(B-Type)
...-.-
PSB
©
Ges
Pan
Head
SEMS
Screw
(F-Type)
..-.-
-
PSF
S)
(HE
Pan
Head
Tapping
Screw
..........
PT
oS)
C=
Oval
Countersunk
Wood
Screw...
...-
oc
©)
(aw
(JIS)
Flat
Countersunk
Wood
Screw
......
FC
©)
mc
(JIS)
Round
Head
Wood
Screw.........--
RH
©)
(aa
(JIS)
Hex
Socket
Setscrew
(Flat
Point)...
...
SF
Hex
Socket
Setscrew
(Cone
Point).
....
sc
Slot
Type
Setscrew........-
000s
ss
8S
gt
)
Retaining
Ring
(E
Washer)
.........
E
ie
|
Piane
Washer
..
2.2/2
ee
ee
ee
eee
P
©
|
Spring
Washer
......-.-.22-0005-
S
G
i
Corrugated
Washer
.........-----
Cc
¢
Toothed
Lock
Washer
(Internal)
......
TLI
©)
|
Toothed
Lock
Washer
(External)...
...
TLE
O}
|
<
EXAMPLE
>
FS
__
type
Screw,
M3
x
6
(BLK)
io
ia
aia
{Shee
Color
of
|
aveseeeed
Length
in
mm
(L)
:
beeen
sense
ee
-
Diameter
in
mm
(D)
-
=)
Mise
ps
sce
sate
Slices
~
Type
&
Name
Se.
-
ell
All
screws
conform
to
!SO
standards,
unless
otherwise
noted.
7-9

Related product manuals