EasyManua.ls Logo

Santerno Sinus Penta - 2 Wiring Diagram for Modular Inverters S74-S80; External Wiring for Modular Inverters S75 and S80

Santerno Sinus Penta
47 pages
Print Icon
To Next Page IconTo Next Page
To Next Page IconTo Next Page
To Previous Page IconTo Previous Page
To Previous Page IconTo Previous Page
Loading...
SINUS PENTA
MODULAR INVERTERS
ASSEMBLY INSTRUCTIONS
7/47
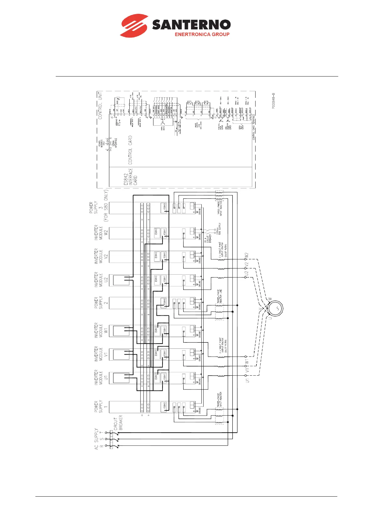
2.1. External Wiring for Modular Inverters S75 and
S80
M
SPLIT
UNIT
SPLIT
UNIT
230Vac
61 62
6261
61 62
61 62
61 62
61 62
61 62
61 62
61 62
230Vac
230Vac
230Vac
230Vac
230Vac
230Vac
230Vca
230Vac
SPLIT
UNIT
CTRL
UNIT
Figure 2: External wiring for inverters S75 and S80

Other manuals for Santerno Sinus Penta

Related product manuals