EasyManua.ls Logo

Santos 28 - Electrical Wiring Diagrams; Wiring Diagram 110-120 V 50;60 Hz Model 28

Santos 28
21 pages
Print Icon
To Next Page IconTo Next Page
To Next Page IconTo Next Page
To Previous Page IconTo Previous Page
To Previous Page IconTo Previous Page
Loading...
SANTOS : Instruction and maintenance manual
98168 US 1.0 - 12 2013 www.santos.fr
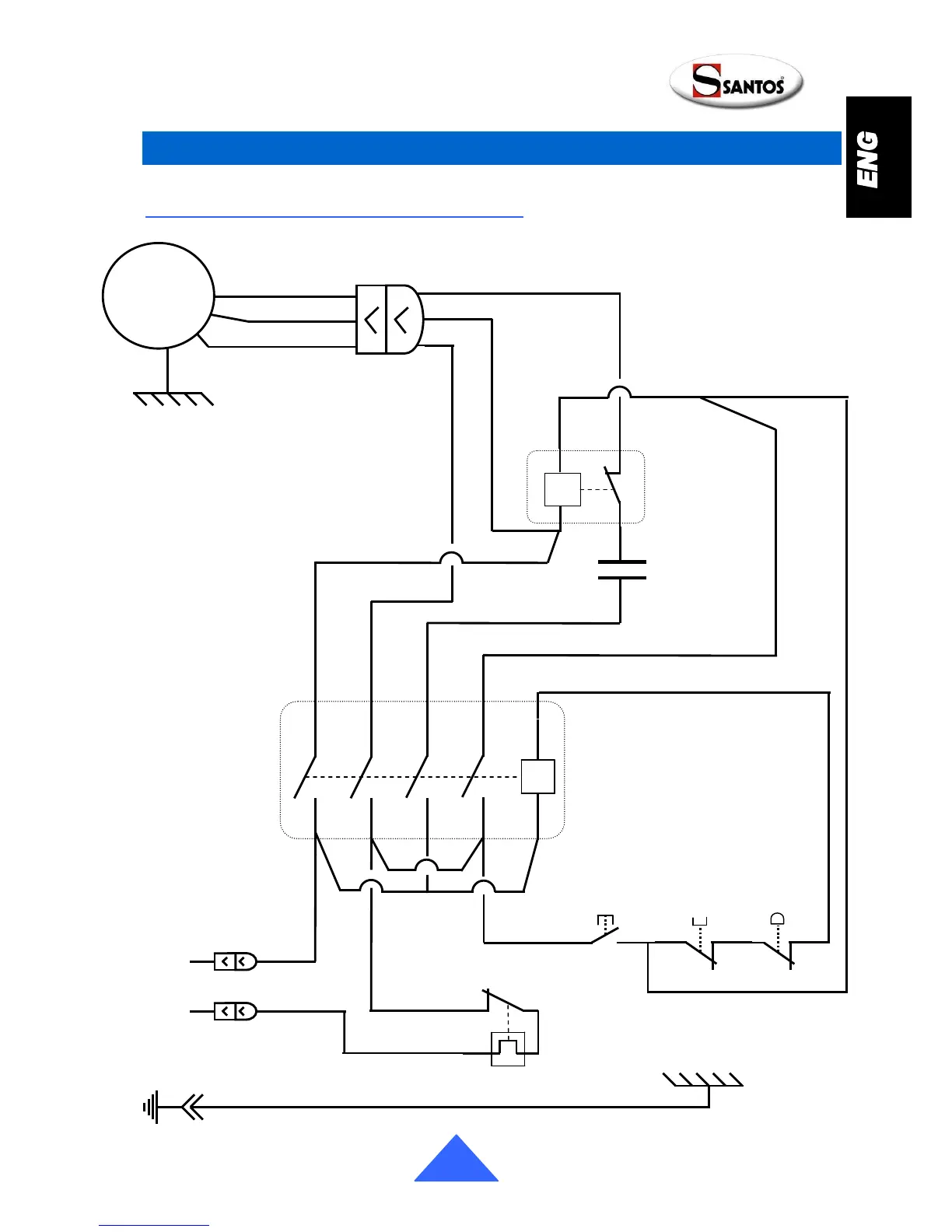
ELECTRICAL WIRING DIAGRAMS
Electrical wiring diagram 110 - 120V 50/60Hz
N°28
Starter relay
Blue
Black
~
Brown
Black
White
Capacitor
Black
White
A2
A1
1
3
5
13
2
6
14
4
Overload safety
device
White
White
White
White
White
White
Black
Green / Yellow
Bowl
tightening
safety
device
On
Off
M
U >
4
1
5
2
Brown
Black
White
Black
Black
Black
White
White
Black