EasyManua.ls Logo

Santos 28 - Wiring Diagram 110-120 V 50;60 Hz Model 68

Santos 28
21 pages
Print Icon
To Next Page IconTo Next Page
To Next Page IconTo Next Page
To Previous Page IconTo Previous Page
To Previous Page IconTo Previous Page
Loading...
SANTOS : Instruction and maintenance manual
98168 US 1.0 - 12 2013 www.santos.fr
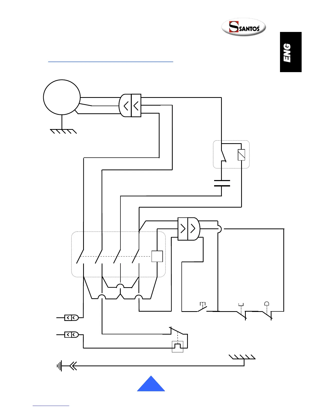
Electrical wiring diagram 110 - 120V 50/60Hz
N°68
Starter
relay
Blue
Black
~
Brown
Black
Blue
Capacitor
Black
White
Overload safety
device
White
White
White
White
White
Black
Bowl
tightening
safery
device
On
Off
M
White
Black
Black
White
Yellow
Black
1
5
2
Green / Yellow
Green
Green
Yellow
White
White
A2
A1
1
3
5
13
2
6
14
4