EasyManua.ls Logo

Sanyo RD-088 - Wiring Connection

Sanyo RD-088
66 pages
To Next Page IconTo Next Page
To Next Page IconTo Next Page
To Previous Page IconTo Previous Page
To Previous Page IconTo Previous Page
Loading...
- 34 -
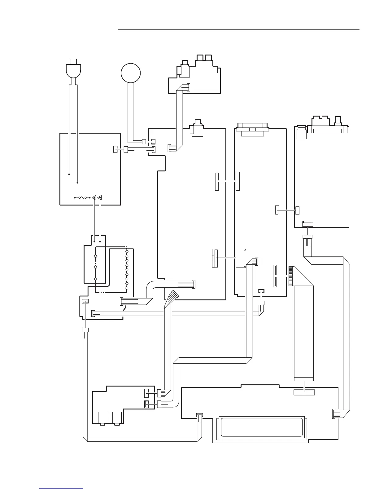
WIRING CONNECTION
VIDEO
(AUDIO)
IN
SYSTEM
CONNECTOR
AM LOOP
AUT
EXT.AUT
FM75 ohm
CN450
CN470
AC IN
COOLING FAN
BL
WR691
BW
WR690
RE
CN690
BE
CN695
Fu690
T630mA L 250V
RK
CN691
BK
CN696
CN201
CN202
CN202
CN455
(4P)
CN453
(9P)
CN457
(3P)
CN452
(20P)
CN451
(5P)
CN494
(9P)
P. T
CN490
(5P)
CN495
(5P)
CN430
(5P)
CN431
(3P)
CN432
(3P)
CN680
PHONES
MALTI
MADIA IN
CN681
CN682
(5P)
CN683
(4P)
CN603
(3P)
CN602
(6P)
CN601
(20P)
CN454
(12P)
CN241
(5P)
CN242
(6P)
FL601
BOARD TO BOARD
BOARD TO BOARDBOARD TO BOARD
CN493
(12P)
CN491
(4P)
CN692
(3P)
CN492
(2P)
CN497
(3P)
CN412
(4P)
CN411
SUB
WOOFER
OUT
SPEAKERS
(6 ohm MIN.)
CN410
TUNER P.W.B
PRE-AMP
P.W.B
AMP P.W.B
SPEAKER
TERMINAL
P.W.B
POWER
SUPPLY
P.W.B
P.T
PRIMARY
P.W.B
SOCKET P.W.B
FRONT P.W.B
M

Related product manuals