EasyManua.ls Logo

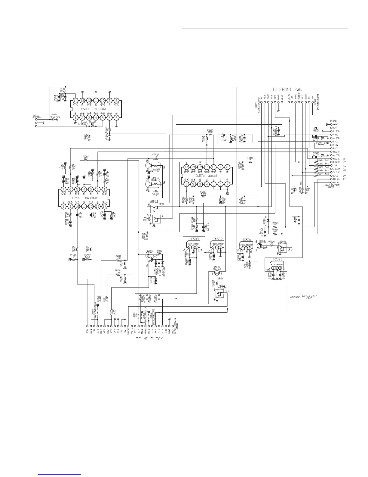
Sanyo RD-088 - SCHEMATIC DIAGRAM (POWER SUPPLY)

Sanyo RD-088
66 pages
To Next Page IconTo Next Page
To Next Page IconTo Next Page
To Previous Page IconTo Previous Page
To Previous Page IconTo Previous Page
Loading...
- 74 -
SCHEMATIC DIAGRAM (POWER SUPPLY)
This is a basic schematic diagram.

Related product manuals