EasyManua.ls Logo

Sanyo RD-088 - Page 33

Sanyo RD-088
66 pages
Print Icon
To Next Page IconTo Next Page
To Next Page IconTo Next Page
To Previous Page IconTo Previous Page
To Previous Page IconTo Previous Page
Loading...
- 41 -
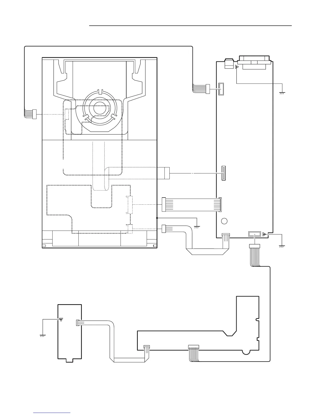
CN199
OPTICAL
DIGITAL
OUT
SYSTEM
CONNECTOR
CN199
CN111
(15P)
CN115
(8P)
CN164
(3P)
JW103
CN160
(7P)
CN161
(3P)
(8P)
PICKUP
(15P)
PICKUP
MECHAMISM
(4P)
MOTOR
(6P)
CN190
(7P)
JW101
JW102
CN114
(4P)
CN113
(6P)
MOTOR P.W.B
CD P.W.B
OPEN/CLOSE
SWITCH P.W.B
CD CHANGER MECHANISM
FRONT P.W.B
WIRING CONNECTION

Related product manuals