EasyManua.ls Logo

Sanyo RD-088 - Page 50

Sanyo RD-088
66 pages
Print Icon
To Next Page IconTo Next Page
To Next Page IconTo Next Page
To Previous Page IconTo Previous Page
To Previous Page IconTo Previous Page
Loading...
- 64 -
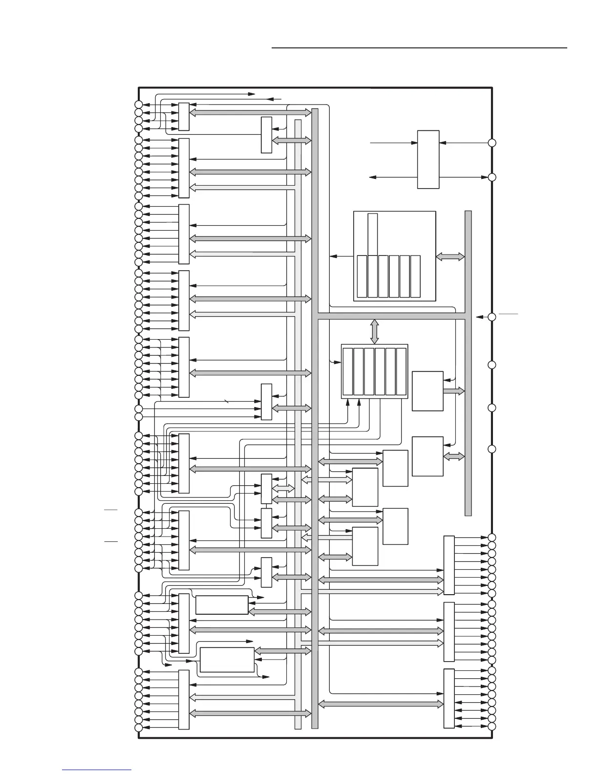
IC BLOCK DIAGRAM & DESCRIPTION
IC531 M38197MAA-636FP (Single Chip 8-bit C Mos)

Related product manuals