EasyManua.ls Logo

Sanyo RM5008 - Wiring Diagram (U.K.)

Sanyo RM5008
10 pages
Print Icon
To Next Page IconTo Next Page
To Next Page IconTo Next Page
To Previous Page IconTo Previous Page
To Previous Page IconTo Previous Page
Loading...
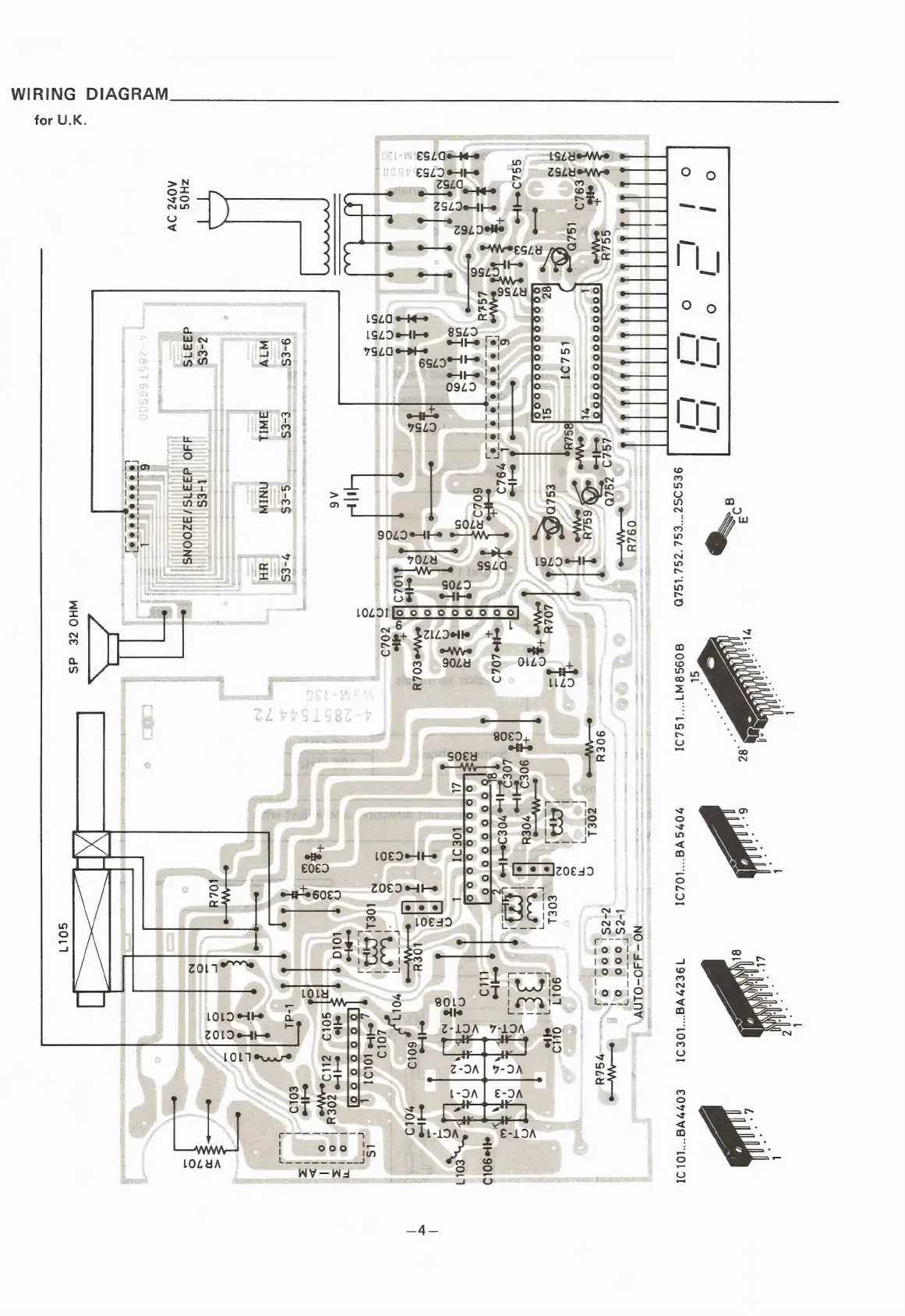
WIRING
DIAGRAM
for
U.K.
€SLdeie-o
a
e
SLI
eHto
wm
g
z
7SL0,
4,
?
nw
»
(ae
O
ae
S
<
29.
DeHe
e
o—e
2
ewe
ed
edhe
p=
ASSL)
9544
wm.
io
1GL0
eto
Be
IGSLOeHhe
§©=68SL9
ibe
fe
a7
7GLOepto
egzgette
|*
ie
lel
l
apie
vio
=
a
|
rr
=air
9
o
2
e!
=
=
io
6
oO
!
n
=
ro]
n
a
wn
~
o
N
oO
I*}
N
Ws:
oO
a
rt)
it
9
90LD¢4hre
-—W—e
o
@
(hs
a
ae
eR
a
y
a
nnn
70L4
sozq..
19LOe4h
o
mB
5
W—*
o—_—_»
=
et
~~
T
io
=
So
=
ooigseeeeees
2.
rs
Sy
gae
.3
o
i
°
es
8
‘00m
S
ObbI——
4
8
5
o
LLL
cS
=
in
o
~
=
2
a
p=
erg]
|
IN
ws
|
ie,
4
7
ie
©
+
<=
ote
LOEDeHbe
0
€0€9
fee
*)z0e49
=
°
+
60€)
ZOED
He
q
es
&
-
tes
Bee
$
owl
>
w
es
:
loe4ad
L
La
NN
°
=<%
ror
AMZ
5
|
Bt
BE
its
Aaj
at}
oS
a
eG
we
WEY
PQ:
maven
tool's
=f
Be
Se
eg
8
LOLY
+
OFF
te
le
oiO
st
-——wW_—2>,
Oo
80LD
1gyi4
Ln,
a
<
=
iss
=
o
LOLD
eke
=
ZOLD
ete
3S
mo
x
=
w
~~
x
BA4403
1€101.::.

Related product manuals