EasyManua.ls Logo

Sanyo RM5008 - Schematic Diagram (Europe)

Sanyo RM5008
10 pages
Print Icon
To Next Page IconTo Next Page
To Next Page IconTo Next Page
To Previous Page IconTo Previous Page
To Previous Page IconTo Previous Page
Loading...
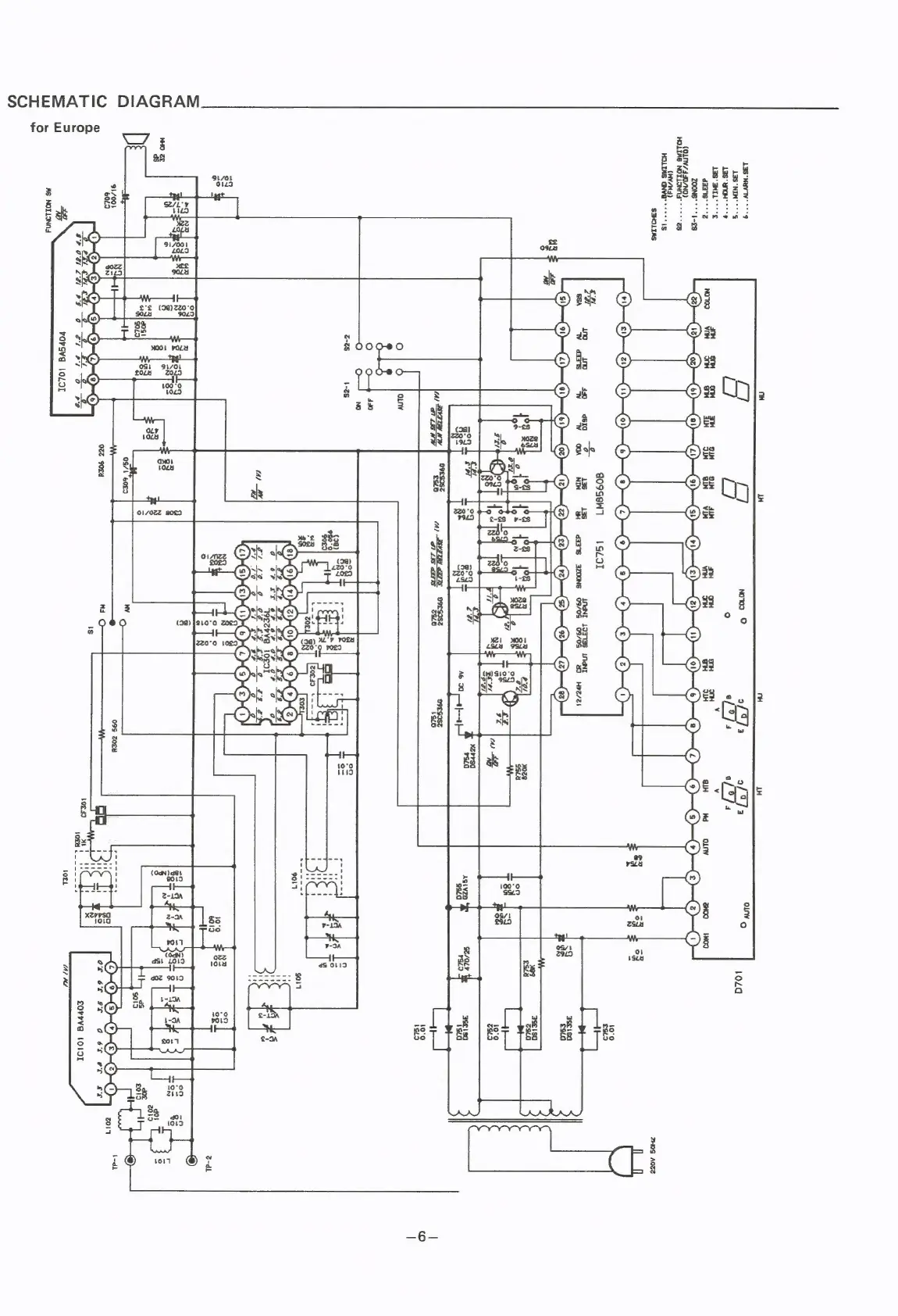
SCHEMATIC
DIAGRAM
for
Europe
eas
ie
a3
i
.
8
85
4
tied
ms
~
a
5
~
D
:
Eee
|
h
og/i
od
oo,
Stue
i
Gi
0
a
@
:
O-O-O--9-9-O
gossen)
135
AINGNI
193735
LNNI
eB
da37%
3Z00NS
09/05
09/05
Ww
Hre/zh
"
'
tir
ite
.
'
1
a
7
1
=
i
#
fone
it
\.
S017
17
ae
$
it
OF
£28
6H 6%
Gh
GR
a ¢
a
‘Wweerve
loLor
"
fC
¢.
OF
LE
£40
#3.
£
A
:
a<
‘9
83
=
2
is
ai
o1Z3
s
oe
22
ge
25
68s
i
doh
E]
zolo
OE
fold
C2
2
tt
[Peel
(Raine
tec
zz
9084
"sO
==
it
(8)—{6)
Is
1/1!
cal
CEL
g
2
of
ond
Mtrreett
SRO
LE
PF
O
FL
FLO
KE
vorsvd
loo
4S
NOTLONNS

Related product manuals