EasyManua.ls Logo

Sanyo SGP-E70J2GU2 - Page 113

Sanyo SGP-E70J2GU2
175 pages
Print Icon
To Next Page IconTo Next Page
To Next Page IconTo Next Page
To Previous Page IconTo Previous Page
To Previous Page IconTo Previous Page
Loading...
Construction
E - 26
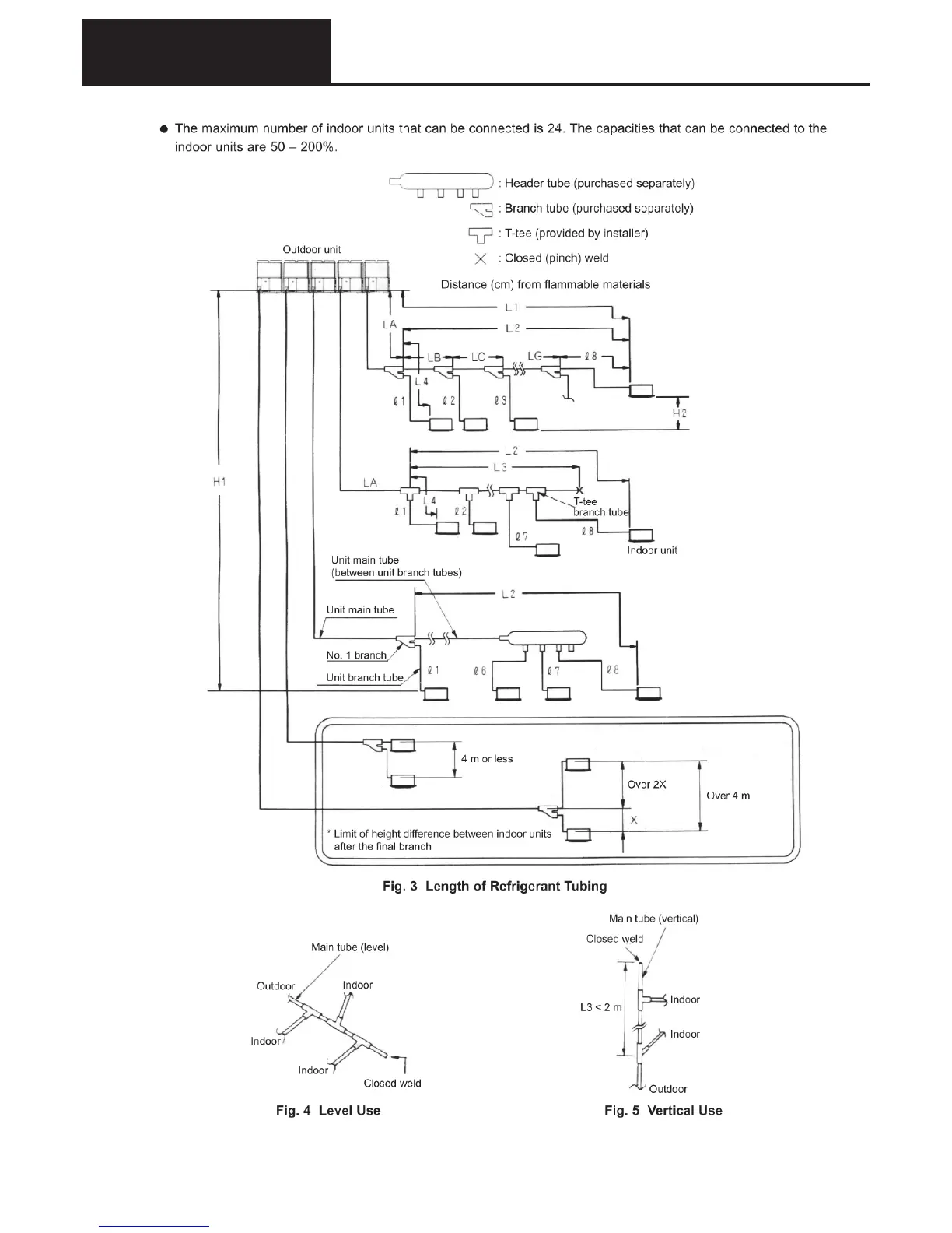
4. Outdoor unit installation and construction

Table of Contents

Related product manuals