EasyManua.ls Logo

SBE SB-34 - 2.11 Power Supply DC Operation

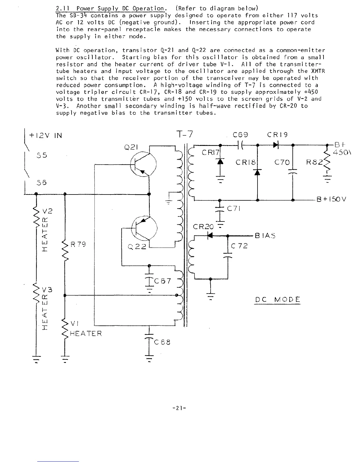
SBE SB-34
69 pages
Print Icon
To Next Page IconTo Next Page
To Next Page IconTo Next Page
To Previous Page IconTo Previous Page
To Previous Page IconTo Previous Page
Loading...

Related product manuals