EasyManua.ls Logo

SBIG STF-8300M - Page 6

SBIG STF-8300M
46 pages
Print Icon
To Next Page IconTo Next Page
To Next Page IconTo Next Page
To Previous Page IconTo Previous Page
To Previous Page IconTo Previous Page
Loading...
SBIG STF-8300 Manual
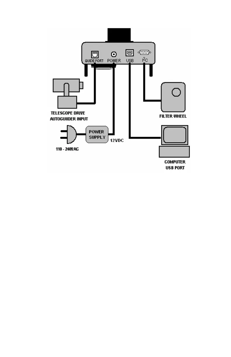
GUIDE PORT: This is where you connect the supplied 6 conductor
modular phone style cable to the Autoguider (sometimes labeled "CCD")
nput port on your mount when using the STF-8300 as an autoguide or
OPS
rate from 100 - 240VAC and provides 3.3A
t
er
les
32
i r,
when using Track & Accumulate with mount corrections (see the CCD
Manual for details of this mode
POWER: Plug in the power supply here, or attach any 12VDC power
source (9 - 14V) that provides 3 amps minimum. The power supply that
omes with the camera will opec
at 12VDC. (Note that while an ST-402 power supply will fit, it does no
provide the current required by the STF-8300 to operate properly)
USB: Attach the 15 foot USB cable to any USB port on your computer
AFTER you have installed the drivers and software for the STF-8300.
I
2
C: This special port is for connection of an SBIG filter wheel. The filt
wheel will get its power and commands through this port. No other cab
re needed for the filter wheel to function. (Note: This is NOT an RS-2a
port. Connecting serial devices or your PC to this port may damage them or
the camera.)
3

Other manuals for SBIG STF-8300M

Related product manuals