EasyManua.ls Logo

Schaudt CSV 410 - Block Diagram;Wiring Diagram

Schaudt CSV 410
16 pages
Print Icon
To Previous Page IconTo Previous Page
To Previous Page IconTo Previous Page
Loading...
Operating manual f o r caravan-charging system CSV 410
16
Date: 20.02.2020 8050102 BA / EN
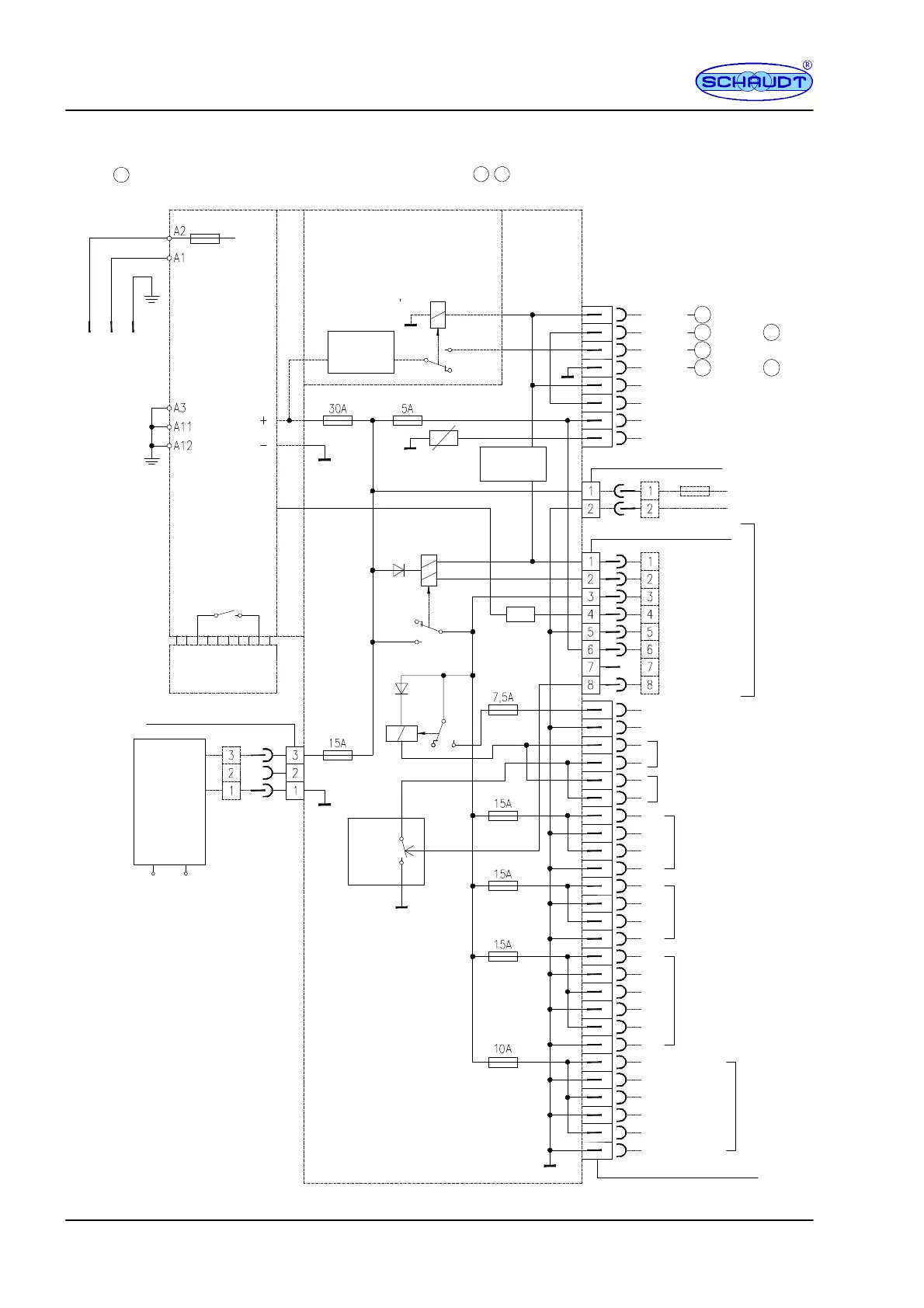
E Block diagram/wiring diagram
230V~50Hz
Plug--in cable
L = 1.2m
3G1.5
6.3 x 0.8
Switch Mode
CSV 409
14.3V/28A
lead acid
lead gel/
Change--over switch
S 1218
Negative
+
Solar module
charge
Solar
LRS 1214
Circuit-
stage
Disconn.
automatic
PTC
max. 0.4A
+Ua booster
14.25V
3F MNL socket
* Connections 9 and 10 must be fused ext. in
the vehicle up to a maximum of 15A.
910
...
* T railer hitch towing vehicle/ caravan connecting
plug assignment as per EN 1648-1
+
--
Fr cartridge; fuse fitted in vehicle
-- T H
+ TH TH +12V perm. plus *
9
13 Negative to9
11
10
-- T H
+TH
Fridge controller
+
--
Negative to
TH +12V connected *
10
Caravan battery
+
Molex Minifit SR--2F
--
max. 40 A
12V OFF
12V ON
12V indicator
Mains indicator
+
--
12V
nc
Pump
To the panel
--
+
Pump
Water tap 1
Water tap 2
Circuit 3
Circuit 2
Circuit 1
+
--
--
+
--
+
+
--
--
+
--
+
+
--
TV
+
--
--
+
Awning light
--
+
Spare
Plug connector LF--PA 401
6.3
x
0.8
(
32 wa
y
)
MSFQ/0 8F pin strip
Circuit 5
Booster
regulator

Related product manuals