EasyManua.ls Logo

Schaudt Electroblock EBL 252 - Block diagram

Schaudt Electroblock EBL 252
12 pages
Print Icon
To Previous Page IconTo Previous Page
To Previous Page IconTo Previous Page
Loading...
Instruction Manual for Electroblock EBL 252
12
Date: 23.01.2020 8110253 BA / EN
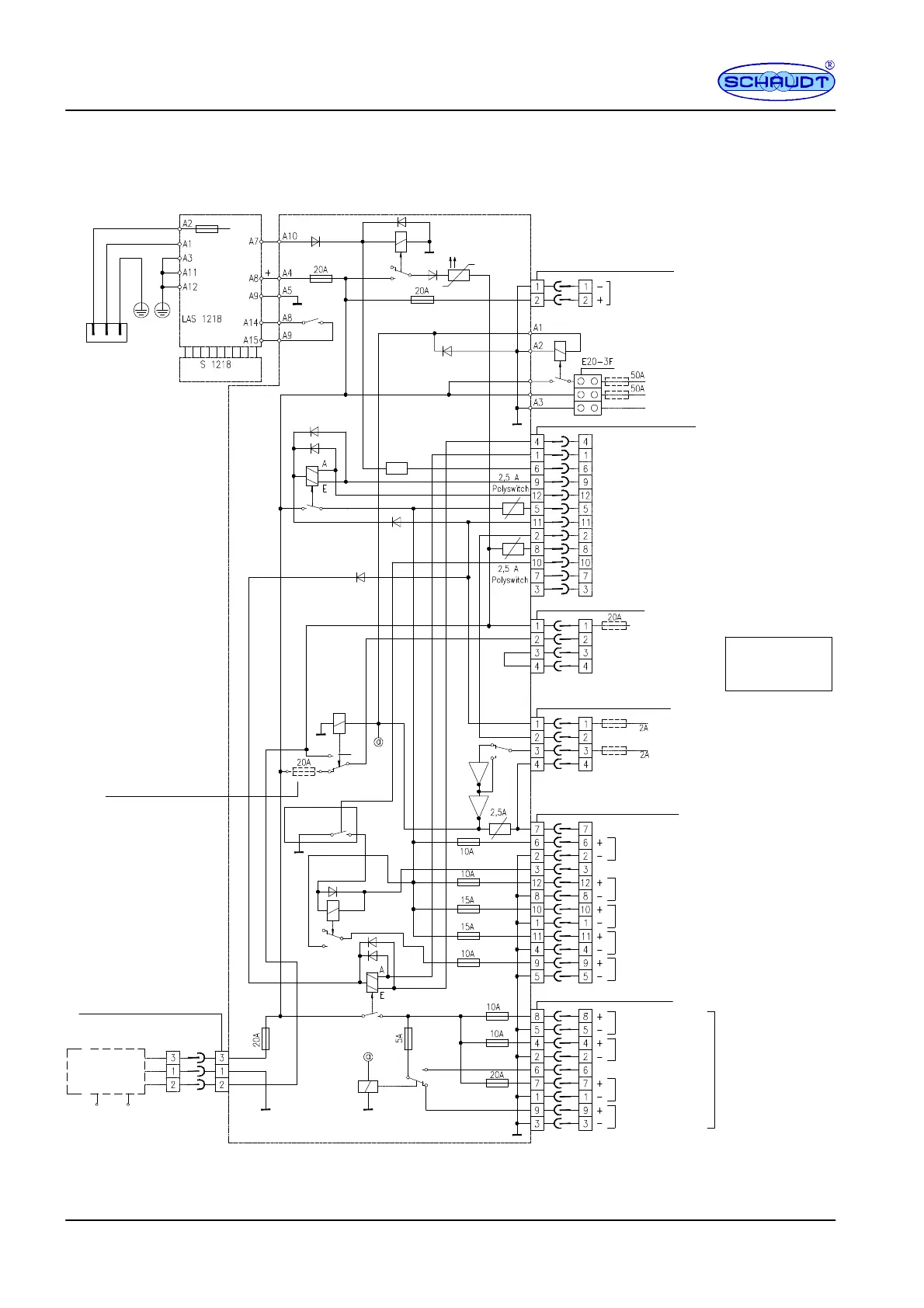
D Block diagram
Consumer 1
SB
WB
Consumer 2
Pump
Minifit SR 4F -- block 1
LR ...
HS Rel2 On
Circuit board KPL EBL 251
MNL socket cap 12F -- block 6
MNL socket cap 9F -- block 4
Steady plus
TV
Pump switch
nc
Mains indicator
Plug connector MSFQ/O 12F -- block 7
nc
MNL socket cap 2F -- block 3
+ leisure battery (batt. 2)
Leisure battery negative
+ sensor, leisure battery (batt. 2)
Negative sensor leisure battery (batt. 2)
12V indicator
+ Starter battery (batt. 1)
12V ON
12V OFF
Water tap (input)
Awning light
Step
Heater
+ batt. 1 for refrigerator *
Negative batt. 1 for
MNL socket
Negative, refrigerator
D+ point
Charging relay
Starter battery
Auxiliary charger
Leisure battery negative must be
starter battery negative.
Battery
cut--off relay
+ Starter battery (batt. 1)
HS relay 1
(60A)
Fridge
Refrigerator lines
must be routed separately
from other battery
lines to the
battery terminals.
*
Permanent
12V
Solar
charge regulator
Solar module
Switching stage
Mains 230V~50Hz
IEC connector
Changeover switch
Lead--acid
AGM
Relay
+ Refrigerator
Negative sensor leisure battery
+ sensor, leisure battery
D+ input
MNL socket cap 4F -- block 5
refrigerator *
D+ point
Important:
Only use fuse
for compressor
Aux. 50W heater
3F block 2
Consumer 3
--
HS relay 2
(60A)
HS Rel2 Off
refrigerator
coonected externally

Related product manuals