EasyManua.ls Logo

Scheppach MT33P - Page 65

Scheppach MT33P
68 pages
Go to English
Print Icon
To Next Page IconTo Next Page
To Next Page IconTo Next Page
To Previous Page IconTo Previous Page
To Previous Page IconTo Previous Page
Loading...
www.scheppach.com / service@scheppach.com / +(49)-08223-4002-99 / +(49)-08223-4002-58
65
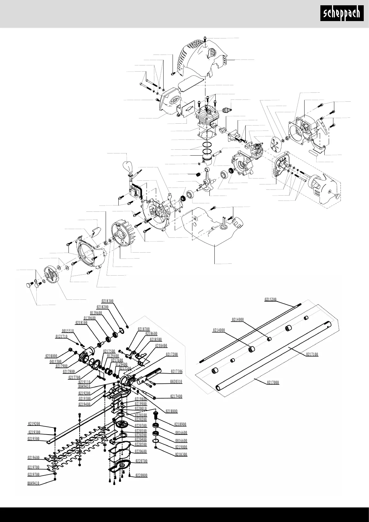
0210500
0210600
0210700
0210800
0000310
0000310
0000310
0213300
0213400
0024400
0211500
0000310
0213800
0024400
0211400
0211800
0211900
0211600
0212906
0061710
0055610
0024010
0000310
0211300
0211000
0003700
0003700
0003100
0211400
0003600
0126000
0211900
0211700
0212000
0212100
0212200
0212300
0212400
0212700
0024010
0055610
0061710
0121710
0123510
0213502
0213602
0000310
0213700
0212500
0015510
0212700
0212800
0213000
0111600
0004200
0213206
0213100
0212600
0111600
0194810
0003700
0211100
0120510
0120510
0211200
0004200
0000310
0210900

Related product manuals