EasyManua.ls Logo

Scholl 27100 - Circuit Diagram Heating Bridge 2-Tier with 10 Heat Lamps

Scholl 27100
34 pages
Print Icon
To Next Page IconTo Next Page
To Next Page IconTo Next Page
To Previous Page IconTo Previous Page
To Previous Page IconTo Previous Page
Loading...
GBA B 1010 0 E
BA Page 30 of 34 April 15, 2016
Last revised 04-2016 Rev. 0
Scholl Apparatebau GmbH & Co.
KG
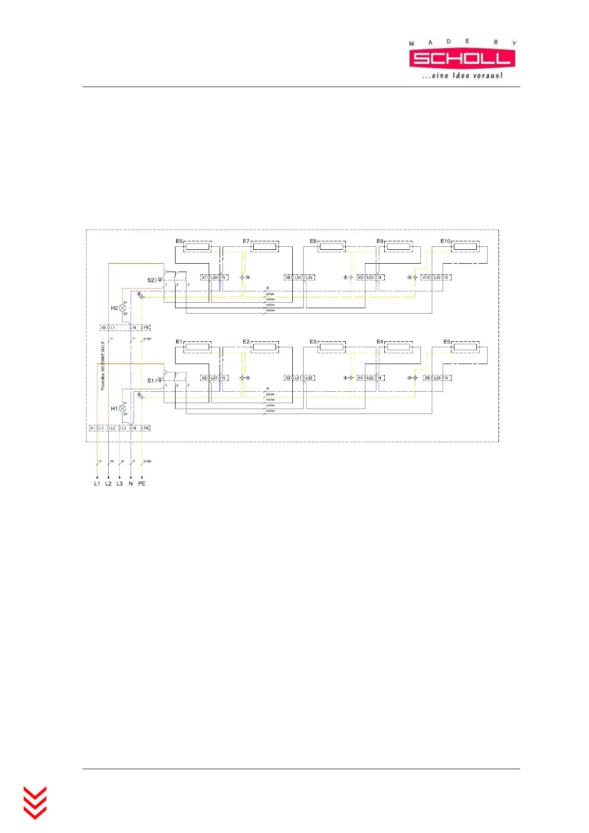
8.3.8 CIRCUIT DIAGRAM HEATING BRIDGE 2-TIER WITH 10 HEAT LAMPS
Model-No. Art. No.
27180/D, /D/HS B 1094, B 1096
27190/D, /D/HS B 1104, B 1106
27200/D, /D/HS B 1114, B 1116
Key:
S1-S2 Step switch
H1-H2 Indicator light
E1-E10 IRK-Halogen-infrared-quartz-radiator

Table of Contents