EasyManua.ls Logo

Schweitzer Engineering Laboratories SEL-351S - Page 148

Schweitzer Engineering Laboratories SEL-351S
636 pages
Print Icon
To Next Page IconTo Next Page
To Next Page IconTo Next Page
To Previous Page IconTo Previous Page
To Previous Page IconTo Previous Page
Loading...
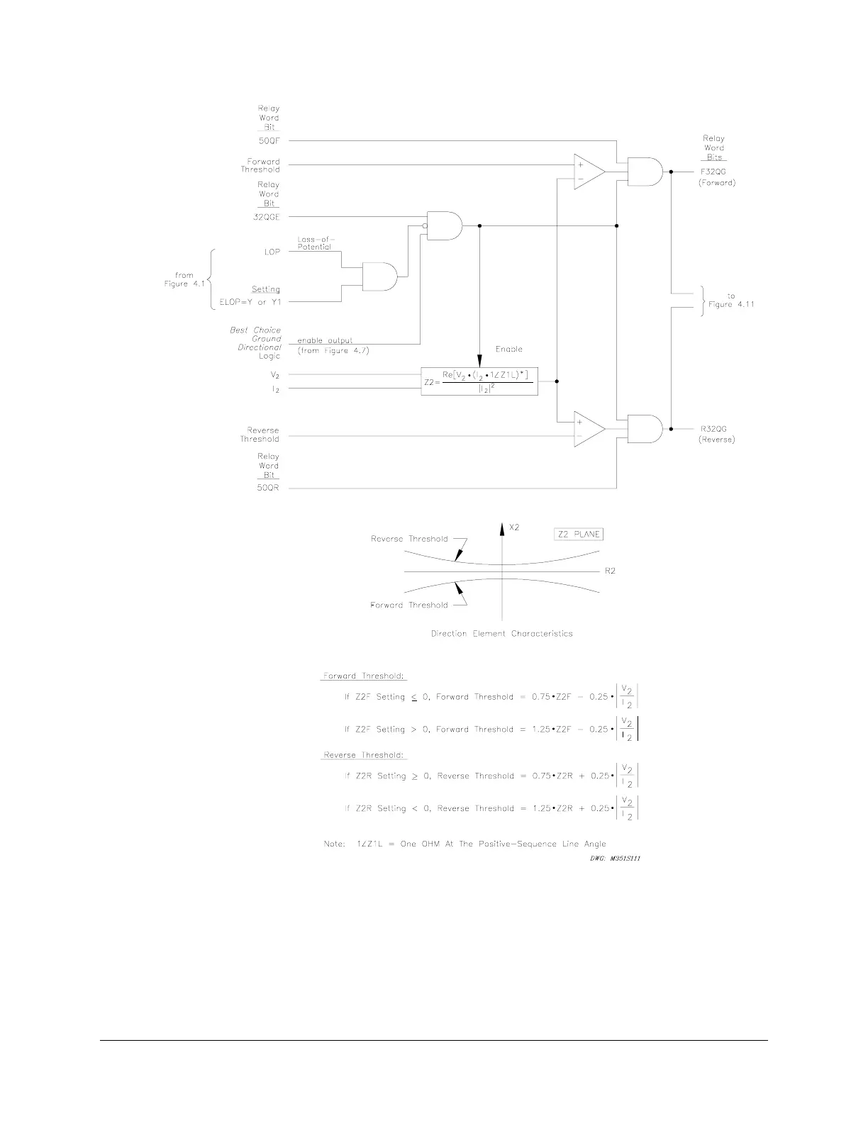
4-14 Loss-of-Potential, Load Encroachment, and Directional Element Logic Date Code 20010112
SEL-351S Instruction Manual
)LJXUH1HJDWLYH6HTXHQFH9ROWDJH3RODUL]HG'LUHFWLRQDO(OHPHQWIRU1HXWUDO*URXQG
DQG5HVLGXDO*URXQG2YHUFXUUHQW(OHPHQWV

Table of Contents