EasyManua.ls Logo

Schweitzer Engineering Laboratories SEL-351S - Page 149

Schweitzer Engineering Laboratories SEL-351S
636 pages
Print Icon
To Next Page IconTo Next Page
To Next Page IconTo Next Page
To Previous Page IconTo Previous Page
To Previous Page IconTo Previous Page
Loading...
Date Code 20010112 Loss-of-Potential, Load Encroachment, and Directional Element Logic 4-15
SEL-351S Instruction Manual
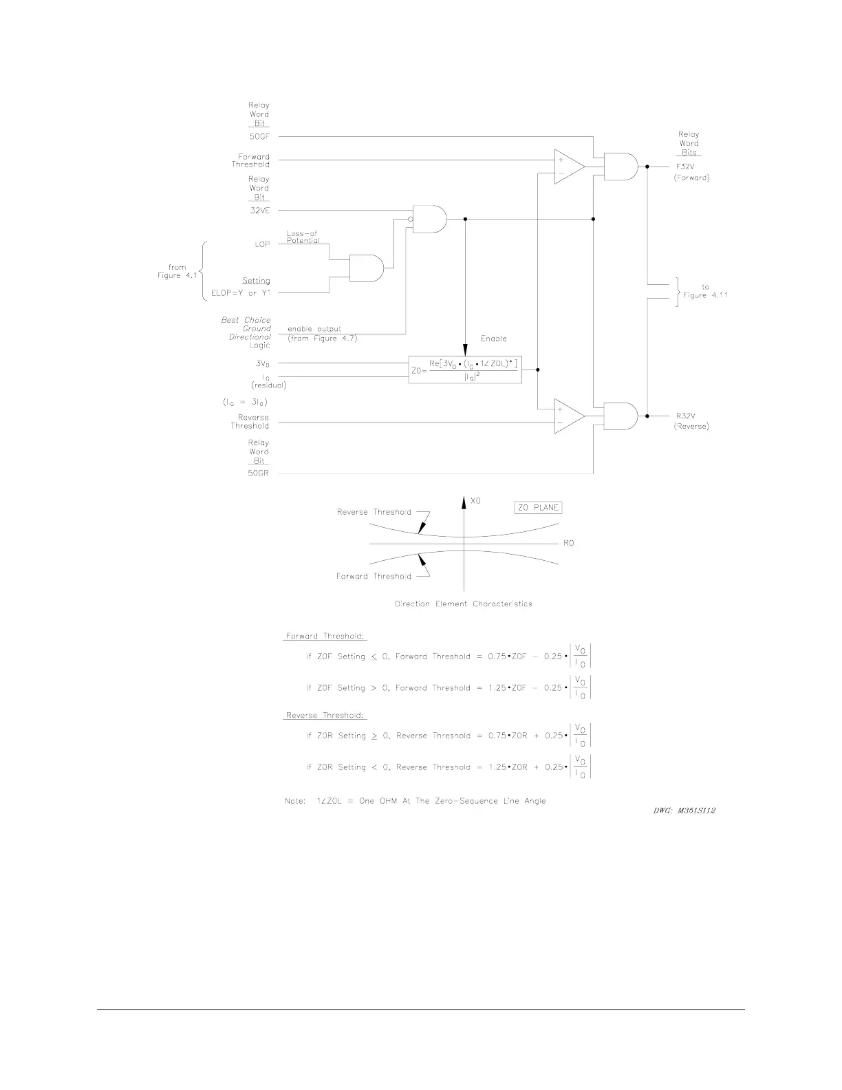
)LJXUH=HUR6HTXHQFH9ROWDJH3RODUL]HG'LUHFWLRQDO(OHPHQWIRU1HXWUDO*URXQGDQG
5HVLGXDO*URXQG2YHUFXUUHQW(OHPHQWV

Table of Contents

Related product manuals