EasyManua.ls Logo

Schweitzer Engineering Laboratories SEL-351S - Page 150

Schweitzer Engineering Laboratories SEL-351S
636 pages
Print Icon
To Next Page IconTo Next Page
To Next Page IconTo Next Page
To Previous Page IconTo Previous Page
To Previous Page IconTo Previous Page
Loading...
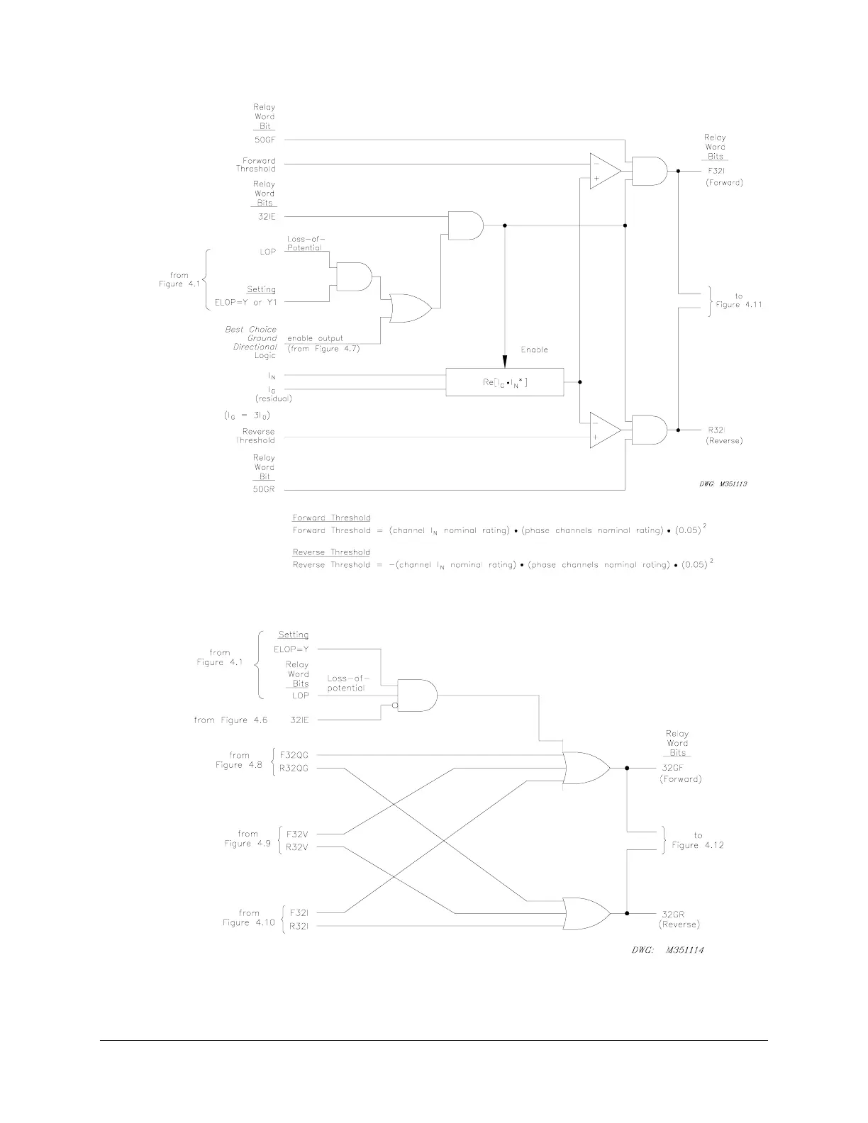
4-16 Loss-of-Potential, Load Encroachment, and Directional Element Logic Date Code 20010112
SEL-351S Instruction Manual
)LJXUH&KDQQHO,1&XUUHQW3RODUL]HG'LUHFWLRQDO(OHPHQWIRU1HXWUDO*URXQGDQG
5HVLGXDO*URXQG2YHUFXUUHQW(OHPHQWVVHH1RWH)ROORZLQJ)LJXUH
)LJXUH5RXWLQJRI'LUHFWLRQDO(OHPHQWVWR1HXWUDO*URXQGDQG5HVLGXDO*URXQG
2YHUFXUUHQW(OHPHQWV

Table of Contents