EasyManua.ls Logo

Scotsman AC 176 - Wiring Diagram AC 126 - AC 176 - AC 206 - AC 226

Scotsman AC 176
39 pages
Print Icon
To Next Page IconTo Next Page
To Next Page IconTo Next Page
To Previous Page IconTo Previous Page
To Previous Page IconTo Previous Page
Loading...
Page 32
Page 32
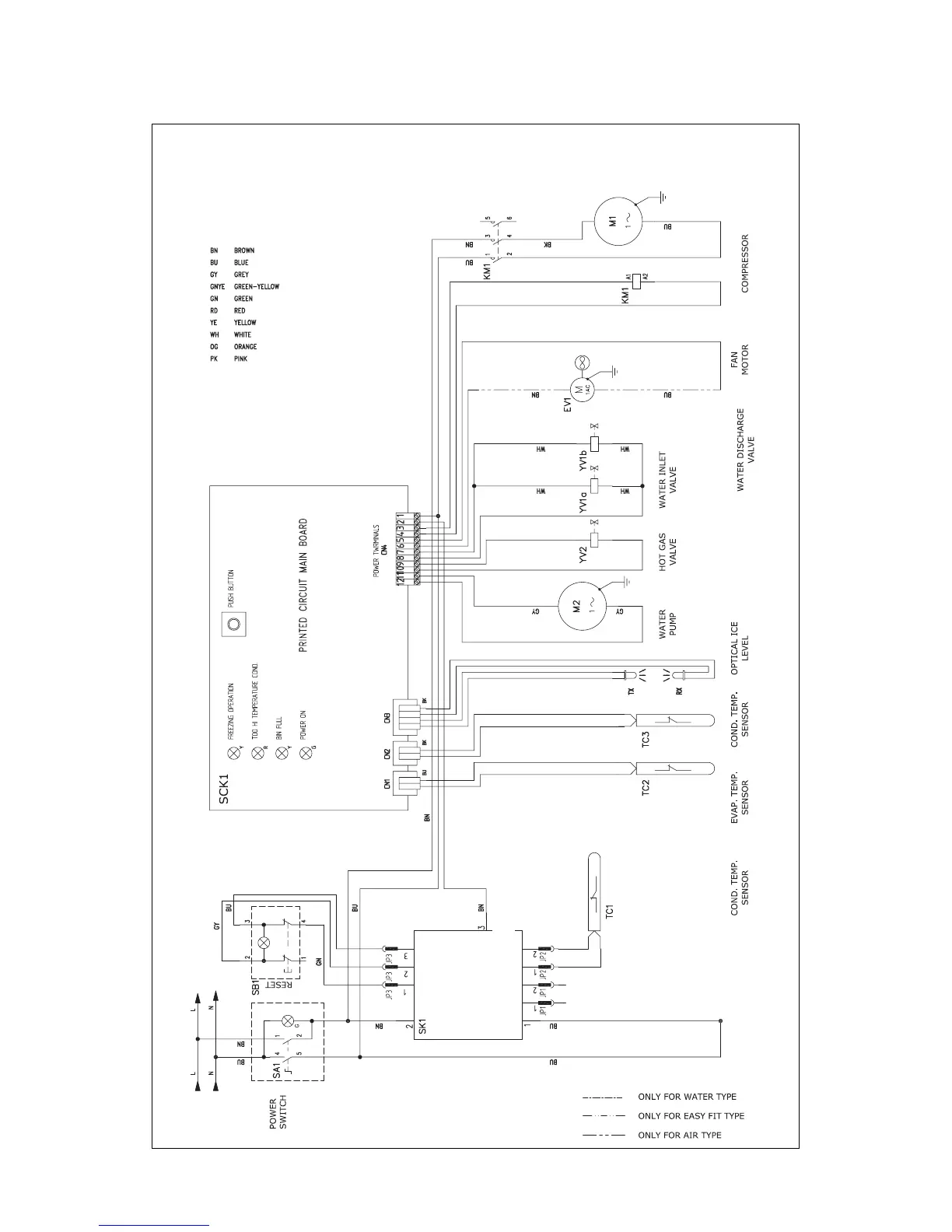
WIRING DIAGRAM
AC 126-176-206-226 AIR AND WATER COOLED 230/50-60/1
The unit is shown on freezing cycle

Other manuals for Scotsman AC 176

Related product manuals