EasyManua.ls Logo

Scotsman DCE33 - Page 35

Scotsman DCE33
44 pages
Print Icon
To Next Page IconTo Next Page
To Next Page IconTo Next Page
To Previous Page IconTo Previous Page
To Previous Page IconTo Previous Page
Loading...
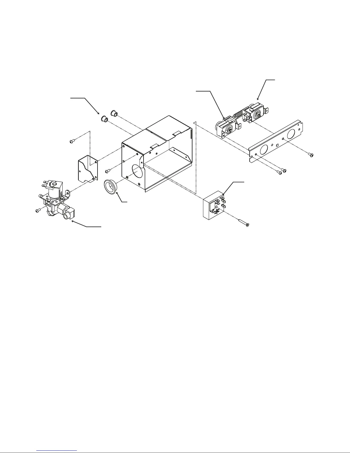
DCE33 SERVICE PARTS
April 2013
Page 8
CONTROL BOX - for DCE33A-1BD, DCE33PA-1BD, DCE33A-1SSD or DCE33PA-1SSD
Item Part
Number Number Description
1 11-0503-21 Cube size control
2 11-0407-21 Bin level control
3 12-2985-01 Timer
03-1419-16 Screw
4 12-1213-12 Snap bushing
5 12-2907-21 Inlet water valve kit, includes new fittings
12-2907-31 Coil only for inlet water valve
6 12-1213-04 Snap bushing
2
1
3
5
6
4

Other manuals for Scotsman DCE33

Related product manuals