EasyManua.ls Logo

Scotsman MF 26 - Operational Checks

Scotsman MF 26
41 pages
Print Icon
To Next Page IconTo Next Page
To Next Page IconTo Next Page
To Previous Page IconTo Previous Page
To Previous Page IconTo Previous Page
Loading...
Page 17
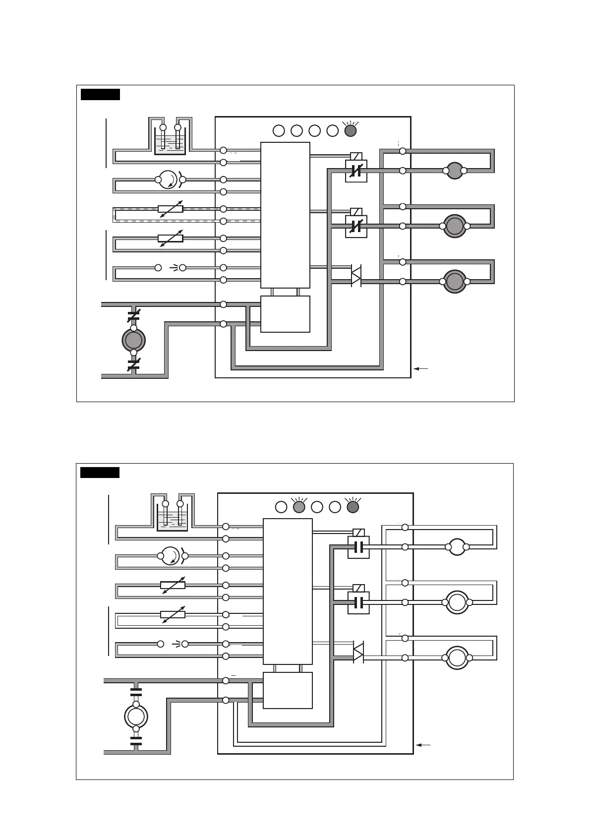
FIG. 3
FIG. 2
2
1
L
N
COMPRESSOR
9
10
11
12
13
3
4
5
6
7
8
CONTACTOR COIL
GEAR MOTOR
FAN MOTOR
ELECTRONIC
CARD
RELAYS
TRIAC
RESET
S E N S O R S
WATER
LEVEL
GEAR MOTOR ROTATION
CONDENSER TEMP.
EVAPORATOR TEMP.
ICE LEVEL CONTROL
TRANSF.
T 40÷50°C
DATA PROCESSOR
2
1
L
N
COMPRESSOR
9
10
11
12
13
3
4
5
6
7
8
CONTACTOR COIL
GEAR MOTOR
FAN MOTOR
ELECTRONIC
CARD
RELAYS
TRIAC
RESET
S E N S O R S
DATA PROCESSOR
WATER
LEVEL
GEAR MOTOR ROTATION
CONDENSER TEMP.
EVAPORATOR TEMP.
ICE LEVEL CONTROL
TRANSF.
T>-1°C
11
10
9
1
2
L
N
8
7
6
5
4
3
10
9
1
2
L
N
8
7
6
5
4
3
12
11
13
13
12

Related product manuals