EasyManua.ls Logo

Scotsman MXG 938 - Page 20

Scotsman MXG 938
40 pages
Print Icon
To Next Page IconTo Next Page
To Next Page IconTo Next Page
To Previous Page IconTo Previous Page
To Previous Page IconTo Previous Page
Loading...
Page 20
Page 20
16
15
14
13
2
1
7
8
9
10
3
4
5
6
11
12
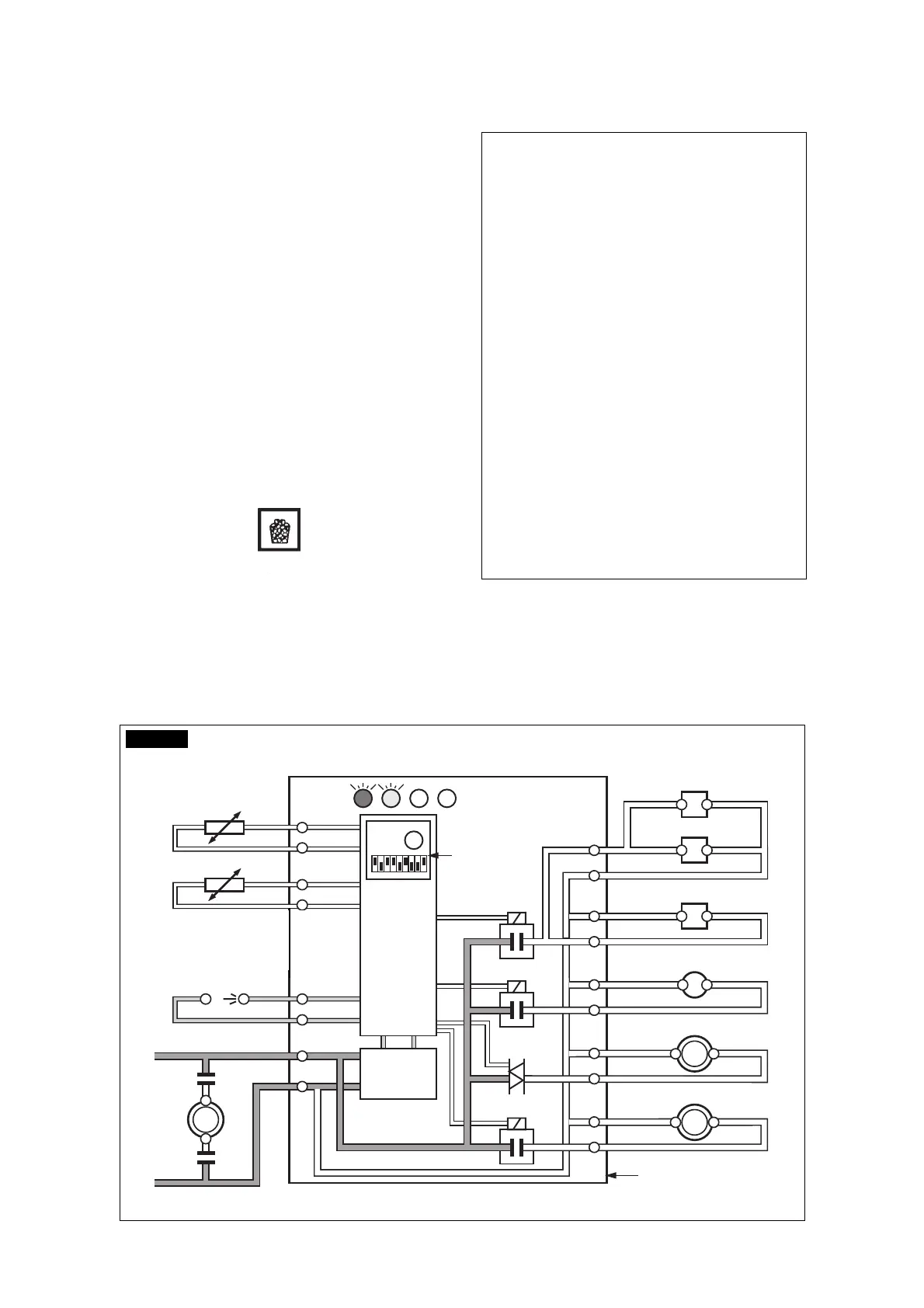
Rx Tx
WATER IN VALVE
HOT GAS VALVE
CONTACTOR COIL
FAN MOTOR
WATER PUMP
- EVAPORATOR
- AMBIENT
- CONDENSER
TEMPERATURE SENSORSBINCOMPRESSOR
TRANSF.
DATA
PROCESSOR
ELECTR.
TIMER
DIP
SWITCH
ELECTRONIC CARD
L
N
RELAYS
RELAY
TRIAC
WATER DRAIN VALVE
FIG. 6
I. Check the texture of ice cubes just released.
They have to be in the right shape with a small
depression of about 5-6 mm in their crown.
If not, wait for the completion of the second cycle
before performing any adjustment.
If required, the length of the timed freezing cycle
can be modified by changing the DIP SWITCH
keys setting as illustrated in OPERATING
PRINCIPLE.
If the ice cubes are shallow and cloudy, it is
possible that the ice maker runs short of water
during the freezing cycle second phase or, the
quality of the supplied water requires the use of
an appropriate water filter or conditioner.
J.
To be sure of the correct operation of ice level
control device, place some ice cubes between its
sensing “eyes” to interrupt the light beam.
The Bin Full YELLOW LED starts blinking fill the
end of defrost cycle afterward, the unit stops with
the simultaneous glowing of the same LED to
monitor the BIN FULL situation (Fig.6).
Remove ice cubes out from the ice level control
sensors to allow the resumption of the light
beam. Water inlet valve is energized for 45
seconds to refill the sump, the BIN FULL YELLOW
LED blinks fast and after approximately 6 seconds
the ice maker resume its operation with the
immediate glowing of the FIRST YELLOW LED
indicating UNIT IN OPERATION and the
extinguishing of the “BIN FULL” YELLOW LED.
NOTE. The ICE LEVEL CONTROL
(INFRARED SYSTEM) is independent of the
temperature however, the reliability of its
detection can be affected by external light
radiations or by any sort of dirt and scale
sediment which may deposit directly on the
light source and on the receiver.To prevent
any possible ice maker malfunction, due to
negative affection of the light detector, it is
advisable to locate the unit where it is not
reached by any direct light beam or light
radiation, also it is recommended to keep the
bin door constantly closed and to follow the
instructions for the periodical cleaning of
the light sensor elements as detailed in the
MAINTENANCE AND CLEANING PRO-
CEDURES.
At time of installation it's necessary to perform
the calibration of the I/R Ice Level control.
Switch OFF the machine at Master Green
Push Button Switch
Push and hold the PC Board Push Button
Switch ON the machine at Master Green
Push Button Switch
Few seconds later the LEDs of the PC
Board are ON
Release the PC Board Push Button
The I/R Ice Level control is now calibrated.
K. Remove, if previously installed, the
refrigerant service gauges and re-fit the unit
service panels previously removed.
L. Instruct the owner/user on the general
operation of the ice machine and about the
cleaning and care it requires.

Related product manuals