EasyManua.ls Logo

Scotsman MXG 938 - Wiring Diagram 31÷34

Scotsman MXG 938
40 pages
Print Icon
To Next Page IconTo Next Page
To Next Page IconTo Next Page
To Previous Page IconTo Previous Page
To Previous Page IconTo Previous Page
Loading...
Page 31
Page 31
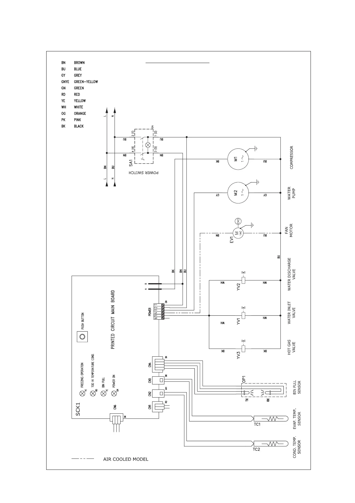
WIRING DIAGRAM
MXG 328 - 428 - 438 A-W 230/50/1

Related product manuals