EasyManua.ls Logo

Scotsman MXG 938 - Page 33

Scotsman MXG 938
40 pages
Print Icon
To Next Page IconTo Next Page
To Next Page IconTo Next Page
To Previous Page IconTo Previous Page
To Previous Page IconTo Previous Page
Loading...
Page 33
Page 33
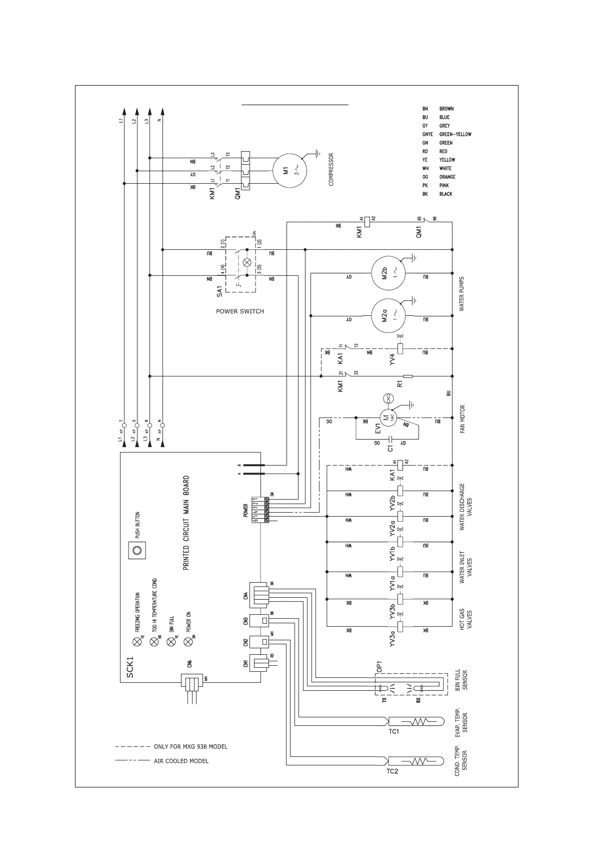
WIRING DIAGRAM
MXG 638-938 A-W 400/50/3
CRANCKCASE
HEATER
LIQUID
VALVE
RELAY

Related product manuals