EasyManua.ls Logo

Scotsman NW608 - NW 308;508 - WIRING DIAGRAM

Scotsman NW608
41 pages
Print Icon
To Next Page IconTo Next Page
To Next Page IconTo Next Page
To Previous Page IconTo Previous Page
To Previous Page IconTo Previous Page
Loading...
31
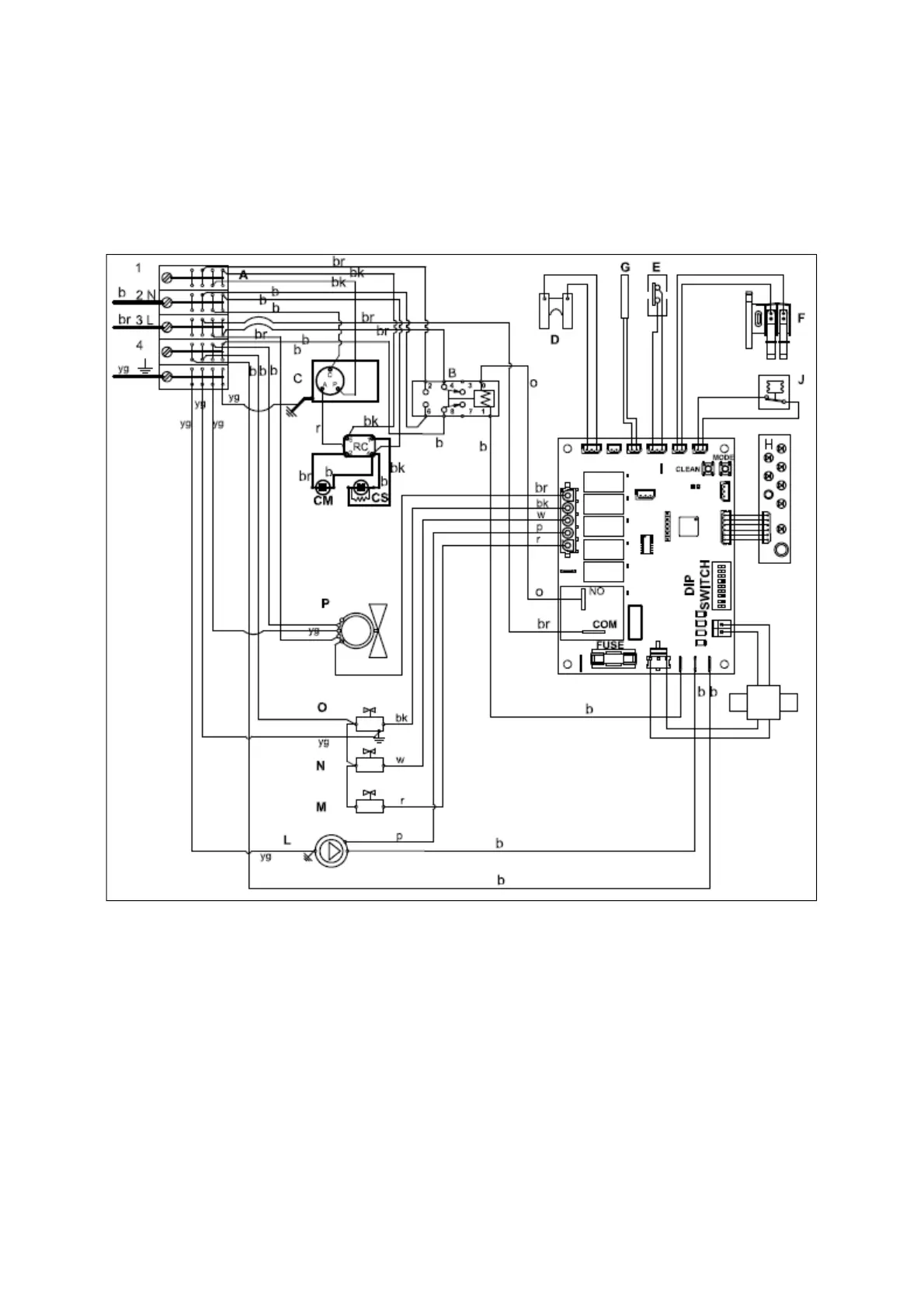
NW 308/508- WIRING DIAGRAM
220 V. 50 /60 Hz. 1 ph.
A- TERMINAL BLOCK
B- POWER RELAY
C-COMPRESSOR
D-ICE THICKNESS SENSOR
E-ICE FULL SENSOR
F-WATER LEVEL SENSOR
G-CONDENSER SENSOR
H-UIM BOARD
(AIR COOLED ONLY)
br = brown
b = blue
gy = yellow / green
w = white
bk= black
r = red
o = orange
p = purple
g =green
y =yellow
I -PC BOARD
J- MAX PRESSURE SWITCH
L-WATER PUMP
M-WATER INLET VALVE
N-WATER PURGE VALVE
O-DEFROST VALVE
P-FAN MOTOR

Related product manuals